手机:13827297626
电话:13827297626
邮箱:435281082@qq.com
地址:广东省东莞市樟木头镇圩镇荔苑路7号星耀国际
发布时间:2019-10-12 点此:14730次
带灯贴片轻触开关批发价格:0.3~1.0元/个
规格尺寸:10mm*H10mm(多种款式选择)
操作力:160gf/250gf
LED灯颜色:可选
品名:带灯开关
带灯开关技术参数:
1.额定负荷: DC 12V 50mA
2.接触电阻: ≤100mΩ
3.绝缘阻抗: ≥100mΩ DC250V
4.使用温度: -25℃+80℃
5.使用湿度: ≤85%RH
6.操作力 :160gf,250gf
7.使用寿命: 100,000 Cycles

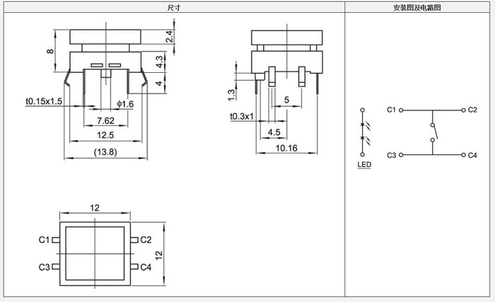
产品设计图图片:

东莞市颖鑫电子厂家生产各类不同型号尺寸的按键轻触开关,同时也可以定制带灯轻触开关,在按钮的部位加上客户需要的灯光效果和图案,以及可以做成防水轻触开关等等,公司不仅可以生产搞寿命的各种电子元器件,还能对不同发光颜色进行定制相关延时轻触按键和检测开关,公司的产品不仅使用寿命长,同时品质的把控也是很严格的,可以替代进口日本的各种轻触开关和微动开关。颖鑫品牌公司作为广东省深圳市各大企业的大型的供应商,不仅有贴片开关各种系列类型,同时主营的产品品种也是非常繁多,涉及服务的行业从低端手工业到高端智能机器人行业都有,公司成立多年来,一致秉承竭诚服务客户的宗旨,对于需要用货比较急的客户,提供以最快能达到的速度安排生产制作,用最理想的时间,交货给客户。公司主营的产品不仅有微型贴片开关,弹片轻触开关还有立式拨动开关,震动开关,二极管和三极管,插座,接触电容,拨码开关,连接器等等电子设备用到的电子元器件,认证资质齐全,质量保障,自动化生产和备案记录,供应能力和研发能力强,报价实惠。
上一篇:6*6轻触开关
下一篇:检测开关的使用注意事项
相关推荐