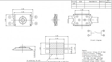
直插轻触开关拆解教程
直插轻触开关拆解教程:从结构解析到实操指南,普通人也能玩转电子拆解全文核心要点拆解核心逻辑:先断电放电→分离固定结构→解析内部组...
阅读详情手机:13827297626
电话:13827297626
邮箱:435281082@qq.com
地址:广东省东莞市樟木头镇圩镇荔苑路7号星耀国际

直插轻触开关拆解教程:从结构解析到实操指南,普通人也能玩转电子拆解全文核心要点拆解核心逻辑:先断电放电→分离固定结构→解析内部组...
阅读详情
带灯轻触开关寿命解析:从10万次到100万次,差在哪? 核心要点速览...
阅读详情
快速要点持续按压会使金属弹片永久形变,导致寿命从100万次骤降至不足1万次触点长期通电易引发电弧灼烧,接触电阻可从<100...
阅读详情
要点...
阅读详情
核心要点速览核心功能:全方向震动侦测,通过滚珠接触式设计实现高灵敏度位移感知,支持运动唤醒。技术亮点:防水防氧化真空封装、镀金触...
阅读详情
在我们日常生活中,轻触开关无处不在。从智能手机、智能手表,到家用电器、工业控制设备,它就像一个隐形的小助手,默默为我们提供便捷的...
阅读详情
一、轻触开关的工作原理与正负极本质轻触开关,从本质上来说,是一种按键式的电子开关,属于电子元器件类。其工作原理基于机械弹性结构,...
阅读详情
在电子设备调试、参数设置和功能配置过程中,拨码开关与轻触开关都是常见的元件。然而,当设备出现故障或设计变更时,不少工程师和电子爱...
阅读详情
6×6轻触开关:微型化时代的核心交互元件作为电子设备人机交互的关键组件,6×6轻触开关凭借其紧凑尺寸(6mm×6mm)、高可靠性...
阅读详情
轻触开关:原理、应用与技术解析 一、产品定义与基础特性轻触开关(Tactile Switch 是一种通过机械弹性结构实...
阅读详情
轻触开关厂家推荐:东莞市颖鑫电子科技有限公司,一家成立于2009年的企业,主要从事电子产品的研发、生产和销售,以及开关、插座、集...
阅读详情
1. 贴片轻触开关的应用领域与重要性 贴片轻触开关因其小巧的尺寸、简便的操作方式、高密度布局以及低扭矩需求,在多个领...
阅读详情