手机:13827297626
电话:13827297626
邮箱:435281082@qq.com
地址:广东省东莞市樟木头镇圩镇荔苑路7号星耀国际
发布时间:2019-10-10 点此:6395次
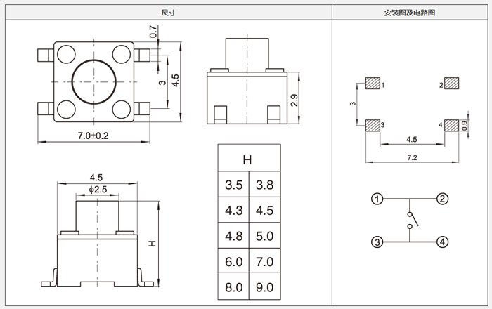
6*6轻触开关批发价格:0.03~0.06元/个;

6*6四脚轻触开关的特点:
一、操作寿命;操作寿命一般与操作力度成反比,拿160gf来说、通常6x6开关可以做到100万次~300万次寿命。
二、工作环境温度;-25摄氏度到+70摄氏度
三、额定电流、电压;通常为毫安极,50mA 12VDC。
四、开关行程。
五、环保标准,有RoHS、无卤、以及欧盟等地区对有害物质管控值的限定。
六、操作力度;50gf、100gf、160gf、260gf、320gf、520gf。
七、绝缘电阻:指开关的导体部分与绝缘部分的电阻值,绝缘电阻值应在100MΩ以上。
八、额定电流:指开关接通时所允许通过的最大安全电流。当超过此值时,开关的触点会因电流过大而烧毁。
九、接触电阻:是指开关在开通状态下,每对触点之间的电阻值,一般要求在0.1-0.5Ω以下,此值越小越好。
十、耐压:指开关对导体及地之间所能承受的最低电压。
十一、寿命:是指开关在正常工作条件下,能操作的次数,一般要求在5000-35000次左右。
十二、额定电压:是指开关在正常工作时所允许的安全电压。加在开关两端的电压大于此值,会造成两个触点之间打火击穿。
轻触开关是一种电子开关,属于电子元器件类。又叫按键开关,最早出现在日本,使用时以满足操作力的条件向开关操作方向施压开关功能闭合接通,当撤销压力时开关即断开,其内部结构是靠金属弹片受力变化来实现通断的。
轻触开关由于体积小重量轻,所以在电器方面是应用更为广泛的。常见的有:遥控器、通讯产品、玩具、电脑产品、医疗器材、家用电器、影音产品、数码产品、安防产品、汽车按键等各种产品。
轻触开关封装有SMT贴片和DIP插件两种,封装的规格也有3*6、5*5、6*6、12*12等规格型号的轻触开关。
不同封装系类的轻触开关的特点:
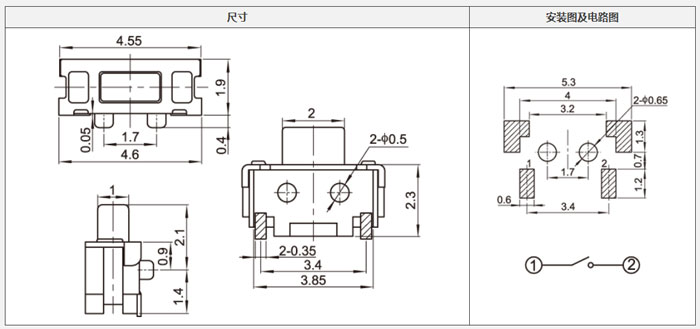
(1)2*4系列结构有:小贝贝开关2*4*3.5。

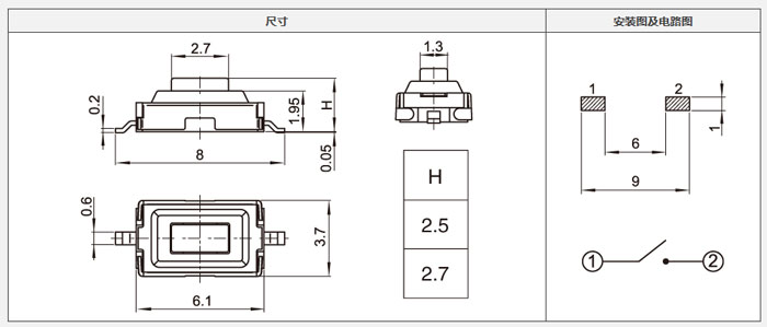
(2)3*3系列:高度有0.35/0.7/1.5/2.0。

(3)3*4系列:小龟两脚、中龟四脚、大龟及四脚轻触开关等。

(4)3*6系列:结构有:3*6*2.5红头、白头;
(5)3*6*4.3和3*6*5插脚、贴片、带支架、侧按。

(6)4.5*4.5系列:高度有3.8/4.3/5/6/7/8······结构有:边三脚、插脚和贴片。

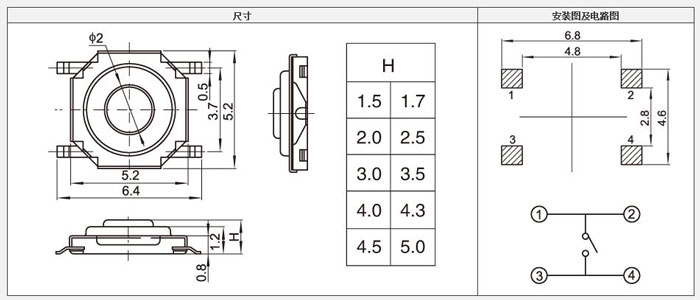
(7)5.2*5.2系列:结构有:无盖0.8h,平盖,铜头、塑胶头1.5、1.7、2.5、4.3h。

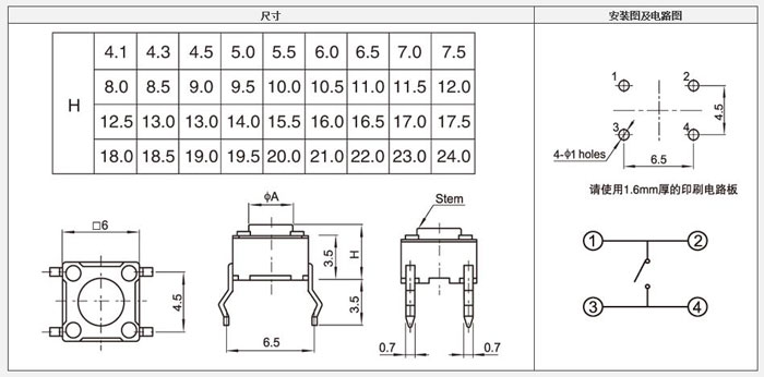
(8)6*6系列的按键开关高度H=2.5/2.7/3.1/3.4/3.8/4/4.3/4.5/4.8/5/5.5/6/6.5/7/8/9/12;

轻触开关常规接线办法:
轻触开关怎么接线呢?总共会有三根线,火线接到开关上,开关的另一端和二孔三孔插座的L端相连接。中性线直接和二孔三孔插座的N端相连接,另一根接地线和三孔的接地端连接在一起。正确的接法是L是电源线、 L1和 L2 是双控往复线、N是零线。
相关推荐