手机:13827297626
电话:13827297626
邮箱:435281082@qq.com
地址:广东省东莞市樟木头镇圩镇荔苑路7号星耀国际
发布时间:2022-09-27 点此:2747次
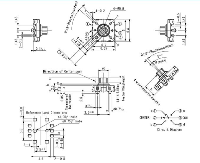
6*6贴片五向开关厂家批发价格

五向开关特性:
1.通过最初的按动操作,第一段为DN,再按一次时,第二段也为DN,通过将第二段设为轻动作力,使用相机快门时减少手振动;
2.适应回流焊接;
3.开关供应为12mm宽压花贴纸方式
五向开关参数:
额定电流(Rating):50mA.12VDC
绝缘电阻(Insulation resistance):100MQmin.100VDC
介电强度(Dl electric strength):250VACfor1min.
接触电阻(Contact resistance):500m2max.
操作温度(Operating temperature range):-25C to+70C°
寿命(Lifetime):20000 Cycles
操作力(Operating force):180±40g/240±80g
行程(Travel):0.25±0.1mm/0.15±0mm

上一篇:钮子开关参数讲解
下一篇:6.5*6.5五向开关
相关推荐