手机:13827297626
电话:13827297626
邮箱:435281082@qq.com
地址:广东省东莞市樟木头镇圩镇荔苑路7号星耀国际
发布时间:2022-11-03 点此:2482次
五向开关的应用还是非常的广泛,得益于可以有五个按键实现的功能集成到一个按键上,在产品一体化开发和高端度上都有不错的体验,下面讲解下一个比较常见的应用。
显示屏在现在基本是家家户户都有的电子产品,早期的显示屏(电视机/电脑)上面都有很多按钮,每个按钮都是独立完成某个功能,这样很大程度上破坏了产品的外观度,而五向开关应用后,就很多显示屏把所有功能都集成到了显示器一个按钮上。

上图可以看出这款电脑显示器的开关按钮,集成了调节分辨率以及亮度等等功能,要调节其他只需要一个按钮就可以实现,这样做及让显示器美观,有降低了需要多个按钮的成本,实现双赢。

五向开关的相关技术参数:
1. 额定负荷: DC 12V 100mA
2. 接触阻抗: ≤100mΩMAX
3. 绝缘阻抗: ≥100MΩMIN
4. 耐焊温度: 260±5°5s
5. 使用寿命: 200,000 cycles
7. 使用温度: -25 ℃ to 85 ℃
8. 使用湿度: ≤85% RH

也有一些五向开关应用在这种新款的电视机遥控器上,比起以前很多按键的遥控器,简洁不少的同时显得更加高端和操作方便。
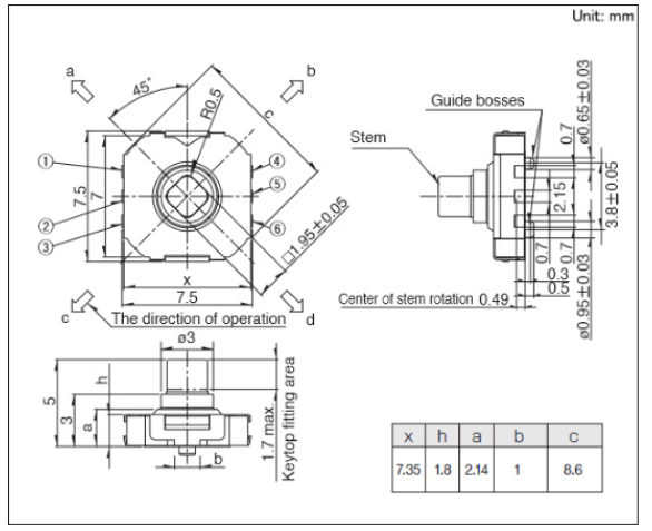
五向开关的外形图
通过尺寸图可以了解到,这款五向开关是贴片的,尺寸上属于小尺寸,所以更加适合现在高度一体化的数码产品。

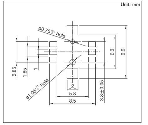
五向开关的焊接图
焊接图可以方便很多需要了解五向开关接线的技术员,快速接线。

五向开关的电路图

上一篇:钮子开关基础参数原理
相关推荐