手机:13827297626
电话:13827297626
邮箱:435281082@qq.com
地址:广东省东莞市樟木头镇圩镇荔苑路7号星耀国际
发布时间:2022-10-19 点此:7004次
经常有客户咨询颖鑫电子小编五向开关的原理是什么,以及如果给手里的五向开关接线,其实五向开关的接线并不是很难,主要是要看懂五向开关的规格图就可以,大多数五向开关的分类就是贴片和插脚。

多功能的五向开关多用于各类需要多个按键集成到一个位置的电子数码产品上,比如我们常见的显示屏,很多显示屏下面至少会有5个按键,占用主板的大部分位置,这样不利于成本的控制以及机身的一体化,所以现在很多的显示器的按键开关,都使用了五向开关去控制,这样有利于产品的高端化。

同时,五向开关也用户很多游戏手柄上,得益于手感好,造价低,同时也方便更换,所以很多手柄都会使用各种不同型号的五向开关去替代。
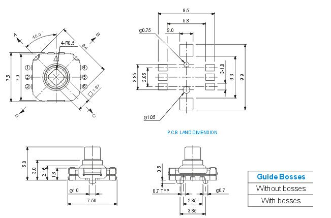
五向开关怎么接线,可以看下下面五向开关的原理图,以这款五向开关的尺寸原理图为例,这个可以确定五向开关的安装尺寸或者在主板上的占位大小,方便开发人员设置。

五向开关接线图,通过这个图,开发人员就知道五向开关的不同号针脚是接哪个位置了。

上一篇:干簧管是一种什么元件?
下一篇:发热内衣轻触开关主板开发案例
相关推荐