手机:13827297626
电话:13827297626
邮箱:435281082@qq.com
地址:广东省东莞市樟木头镇圩镇荔苑路7号星耀国际
发布时间:2023-08-30 点此:3883次
二脚轻触开关的工作原理的话是这样的,其主要是由常开触点和常闭触点组合而成。常开触点的话其最为主要的作用就是在压力常开的时候能够有效地进行施压,这样可以让整个电路呈现出一种接通的状态。而在撤销的时候就会让压力得以撤销,也就会出现常闭触点,这个时候整个电路的话就会处于一个闭合的状态。其工作原理可以说是相当简单。在整个操作的过程当中所需要掌握的技术性也是非常少的。

1、两脚轻触开关是一种电子元件,它的作用是通过接线使电路发生开关,从而控制电路中的电子元件的工作状态,是电子工程师必备的知识。
2、两脚轻触开关的接线方法是将两脚轻触开关的两个端子分别接入电源的正负极,并将另一端接入电路中的电子元件,使电路发生开关,从而控制电子元件的工作状态。
3、两脚轻触开关的接线方法非常简单,但是要注意,在接线时,两脚轻触开关的两个端子之间要有足够的距离,以免两个端子之间发生短路,造成电路故障。
4、在接线两脚轻触开关时,还需要注意两脚轻触开关的接线方向,一般来说,两脚轻触开关的接线方向是从左到右,即从电源的正极开始接线,然后再接入电路中的电子元件,接入电源的负极。
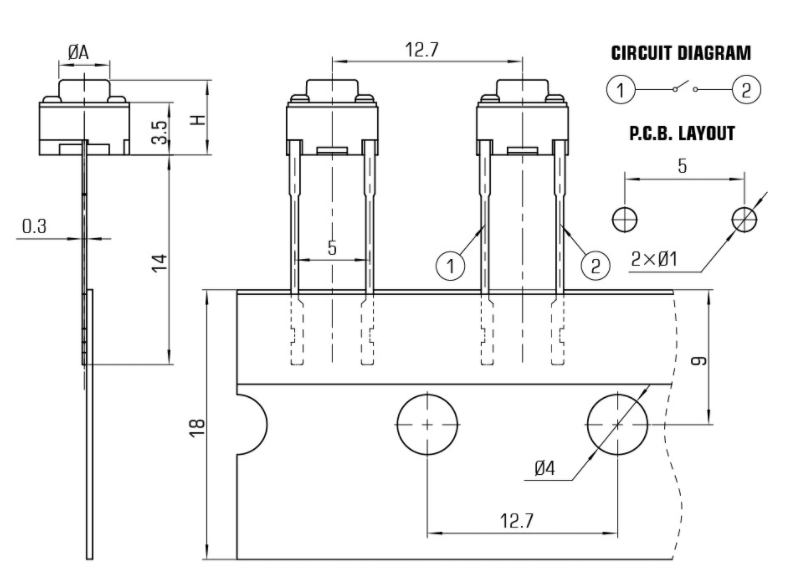
两脚轻触开关原理电路图

轻触开关2脚4脚区别
普通轻触开关只有两个脚导电,另外两个脚起到一个固定作用,也是为了满足产品设计需求,从本质上来分析两脚和四 脚轻触开关没有什么区别,功能上都是一样的。两脚的轻触开工容易理解,一正极一个负极,四脚轻触开关是分为四个脚abcd,Ad或者bc引脚相连为常闭合状态。无论按键是否按下,灯保持常亮状态。因此,在焊接的过程中需要将bc中任意一个引脚连接至单片机引脚,将ad中任意一个引脚连接至电源的负极。
上一篇:轻触开关4.5*4.5贴片
下一篇:轻触开关耐压多少合适
相关推荐