手机:13827297626
电话:13827297626
邮箱:435281082@qq.com
地址:广东省东莞市樟木头镇圩镇荔苑路7号星耀国际
发布时间:2023-11-27 点此:1973次

轻触开关的原理有两种:一种是利用金属弹片来完成开关导通截止状态的切换;另一种是利用导电橡胶来完成开关导通截止状态的切换。

轻触开关是一种常用的电子元件,它的结构简单,使用方便。轻触开关的结构主要由嵌件、基座、弹片、按钮、盖板和引脚组成。其中,弹片是轻触开关的核心部件之一,它可以实现开关的导通和截止状态的切换。
轻触开关功能
轻触开关,也叫按键开关,是一种仅在按压操作时导通微小电流的开关,可作为各种电子设备的操作信号输入用开关。它的功能闭合接通,当撤销压力时开关即断开。根据原理的不同,轻触开关可分为两种类型:一种是利用金属弹片来完成开关导通截止状态的切换;另一种是利用导电橡胶来完成开关导通截止状态的切换。
其中,金属弹片型轻触开关的原理是:当按下开关按钮时,其弹片受到外力作用发生形变,向下接触到焊片,使得开关的两组引脚相导通,从而使得电路呈现导通状态。当松开开关按钮时,弹片恢复原状,与焊片断开接触,使得电路呈现截止状态。这种轻触开关手感良好,按下按钮至一定程度时伴随有滴答的声音出现,可以感受到明确的操作触感。
轻触开关封装种类
轻触开关的封装种类多样,主要包括DIP封装、SMD封装和THT封装三种类型。
1. DIP封装轻触开关:这种开关通常用于PCB板上的电路控制,由于其体积小且安装方便,因此被广泛应用于各种电子产品中。
2. SMD封装轻触开关:SMD封装的轻触开关安装方便,能够实现复杂的布局设计,是现代电子产品中常用的开关类型之一。
3. THT封装轻触开关:THT封装的轻触开关体积较大,通常用于需要承受大电流、大功率的电路控制,如电源开关等。

轻触开关型号规格
轻触开关的型号和规格多种多样,根据引脚数量,可分为两脚、三脚、四脚以及更多脚的类型。根据封装方式,可以分为贴片和插件两种。此外,还可以根据材质、大小等进行分类。
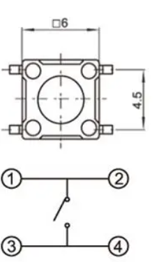
例如,轻触开关TS-1103,它有四个定位柱和四个引脚,其外观长宽尺寸为12x12mm。又如轻触开关TS-1102B,这是一款插件按键开关,其规格尺寸为4.5×4.5,一般主要用途于通讯设备、医疗仪器、家用电器、安防产品等领域使用。再如轻触开关TS-1181A,这款产品的尺寸为3.5×6×2.5,被称为“3×6×2.5不拉心开关”,力度有160gf和250gf两种。
总的来说,选择适合的轻触开关需考虑其型号、规格、引脚数、封装形式、尺寸等因素,以满足不同的电子设备和应用需求。
轻触开关注意事项
使用轻触开关时,需要注意以下几点:
1. 焊接注意事项:在对轻触开关端子进行焊接时,如果对端子施加过大的负荷,可能会导致端子松动、变形,甚至电特性下降。因此,在焊接时应尽量避免对端子施加过大的压力。
2. 环境影响:使用通孔印刷电路板或非推荐电路板时,需要注意热应力的影响,因为这可能会对轻触开关的正常工作造成影响。
3. 规格选择:轻触开关有多种规格,如环保耐高温、贴片式、插件式等,不同规格的开关有不同的应用场景和性能特点。因此,使用前需要根据具体需求选择合适的开关规格。
4. 注意手感:很多厂家提供的样品手感均匀,但在实际量产中,由于各种因素可能会出现手感差异。因此,在选择和使用时需要注意。
5. 保养维护:轻触开关应避免频繁操作,因为频繁按动会使金属弹片疲劳失去弹性而失效。此外,为避免长期通电造成的电能消耗或意外事故,该开关在市电停电后会自动断开,再次来电时不会自行接通(需按动控制按钮才能接通)。
轻触开关应用范围
轻触开关的应用范围非常广泛,这得益于其接触电阻小、操作力误差小以及规格多样化等优势。在电子设备和白色家电中,如影音产品、数码产品、通讯产品、家用电器、安防产品、玩具、电脑产品和健身器材等,轻触开关都得到了广泛的应用。
此外,轻触开关在医疗领域也有着重要应用,如医疗仪器等。在商业领域中,轻触开关可以用于控制照明、空调、音响等设备,为人们提供更加便捷、高效的服务。例如在商场、酒店、餐厅等场所,通过轻触开关可以实现对灯光的动态变化,从而吸引消费者的注意力。
轻触开关怎么挑选

选择轻触开关时,需要考虑以下几个因素:
1. 质量:首先需要观察轻触开关的手感和外观,以及它的电阻。这些看似不起眼的细节实际上对决定着开关的质量。
2. 耐久性:选择具有较高质量和耐久性的轻触开关,以确保其长时间的使用寿命和可靠性。
3. 可焊性:轻触开关的可焊性也是一个重要的考虑因素,这关乎到它在实际使用过程中是否方便焊接。
4. 规格:根据实际应用需求选择合适的开关规格。例如,轻触开关有平面型、防水型、触摸型等不同类型,需要根据实际需要进行选择。
5. 价格:在产品质量、价格成本和工艺上寻求平衡是很重要的。例如,轻触开关的成本和价格相对较低,不会因为市场原材料波动产生大的价格调整。
6. 力度:轻触开关的力度也是非常重要的一个参数,不同产品需要的力度不同。例如,一般使用时轻轻点按开关按钮即可使开关接通,当松开手时开关即可断开。
总的来说,挑选轻触开关需要综合考虑多个因素,包括质量、耐久性、规格、价格以及应用需求等,以选择最适合的产品。
轻触开关寿命测试
对于轻触开关的寿命测试,通常会进行机械性能和电气性能两方面的检测。在机械性能测试中,会将开关先固定在机器的面板上,然后调节好砝码并设置寿命次数,以每分钟30-40次的频率按压开关,直到达到预设的寿命次数。为了提升效率,有时候也会采用一个带有偏心机构的小电机来自动带动开关开合,并用计数器记录次数。
电气性能测试则主要侧重于接触电阻和绝缘电阻的测定。此外,还会对开关导通性和手感进行检测。这些测试有助于确保轻触开关在使用过程中的稳定性和可靠性。
具体到寿命,国产弹片的寿命一般为7-10万次;进口弹片单面复银的寿命10万次左右;而不锈钢弹片的寿命则大于50万次。如果在实际使用中发现开关的寿命未达到这些基本标准,那么可以判断此轻触开关为不良品。
轻触开关性能测试

对于轻触开关的性能测试,通常会涵盖电学性能、开关力、按键行为和动态特性四个方面。在电学性能测试中,主要会测量接触阻抗和绝缘阻抗。接触阻抗的测量条件通常是在1KHz小电流下,而绝缘阻抗则是在端子之间和端子与壳之间加DC 500V条件下持续1分钟进行。
另外,开关力测试也是重要的一环,通过此测试可以确定轻触开关的动作距离,从而确保其品质。同时,按键行为测试和动态特性测试也能帮助评估轻触开关的稳定性和可靠性。
除了上述的测试,还有一些特殊的环境适应性测试,包括耐湿试验、耐冷试验和耐高温试验。这些试验主要是为了验证轻触开关在不同环境条件下的性能稳定性。例如,耐湿试验是在40±2℃ 90-95%RH环境中放置4天时间,然后放置在正常环境中30分钟后进行测试;耐冷试验则是在零下20±3℃温度环境中放置4天时间,再放在正常环境中30分钟后进行测试。
轻触开关未来发展趋势
轻触开关作为电子设备的关键部件之一,其未来发展趋势将受到市场需求、科技创新以及新材料、新工艺等多方面因素的影响。目前,一些最新的技术趋势和市场创新正在不断塑造轻触开关的未来,这包括多点触控、柔性电子、感应触摸技术以及新材料、智能化和可穿戴技术的应用。
一方面,触控技术的发展将是轻触开关未来发展的重要驱动力。具体来说,静电感应技术以其原理简单、灵敏度高和良好的抗干扰能力在轻触开关中有着广泛的应用前景,这种技术可以应用于触摸屏、智能家居等领域。此外,电容感应技术的发展趋势也备受瞩目,特别是增强电容技术和投影电容技术,它们在触摸屏、车载系统等领域中的应用案例层出不穷。压力感应技术基于压电传感器或压敏材料的设计,其在医疗设备、工控设备等领域的创新应用同样引人注目。
另一方面,物联网的发展为轻触开关带来了新的应用场景和可能性。通过无线通信技术,轻触开关可以实现远程控制、数据采集等功能,进而在智能家居、工业自动化等领域发挥重要作用。
同时,新材料的研发和应用也将推动轻触开关的未来发展。导电聚合物材料等新材料的出现可能会带来性能上的提升和新的功能。预计未来几年内,全球轻触开关市场规模将继续保持稳定增长。
轻触开关焊接

轻触开关焊接方式有多种,其中常见的有手焊和波焊。手焊的温度控制在200℃,焊接时间大约10秒钟;波焊的温度控制在130℃,焊接时间大约2秒钟。
轻触开关四个脚怎么接

轻触开关四个脚的接法,首先需要理解轻触开关的基本工作原理。实际上,轻触开关的工作原理和一般按钮开关类似,由常开触点、常闭触点组合而成。在未受外力作用时(即未按下时),常开触点和常闭触点是断开的;当受到外力作用时(即按下时),常开触点和常闭触点闭合,从而使得电路导通。
具体接线方法如下:将万用表调至二极管处,先测量四角中的任意两脚,判断哪两个角是导通的,哪两个角是断开的;按下按键,再测量任意两脚,然后判断哪两个角是导通的,哪两个角是断开的;开始断开,按键按下导通的两脚可做为焊接的两个角。需要注意的是:按键开关的工作原理,就是按键按下的时候两个贴片挨近了,也就是导通了;松开的时候,贴片分离,也就是断开了。
对于一些特定情况,例如某些轻触开关可能有额外的引脚,这些引脚可能用于接地或其他特殊功能。这种情况下,接地焊接保证了与大块PCB敷铜接触,也只是防止不轻易被扯掉,依然是固定作用。但是,对于一般的四脚轻触开关,通常并不需要额外的接地引脚。
轻触开关怎么测量好坏
判断轻触开关的好坏,可以采取以下步骤:
1. 观察开关按钮的外观,检查是否有破损或变形的现象。这种情况下,开关按钮可能会出现不正常的动作或完全失灵。如果有破损或变形,需要更换开关按钮。
2. 检查轻触开关的触点大小。触点即可以通断电路的金属接触点,一般来说,轻触开关的触点越大越好。但最好不超过轻触开关面积的一半,否则容易出现卡住的现象。
3. 使用数字万用表来检查其导通情况。首先,将万用表设置为欧姆档。然后,将一个探头连接到开关的一个引脚上,将另一个探头连接到另一个引脚上。如果开关正常工作,万用表显示的电阻值应当很小或为零。
4. 从寿命方面来测量:一般国产轻触开关弹片寿命为5-7万次,进口轻触开关弹片单面复银寿命大于10万次,不锈钢弹片大于50万次,如果寿命达不到这个基本标准,则可判定此四角轻触开关为坏的。
轻触开关失灵怎么修
轻触开关失灵的原因一般有两种,一是弹片氧化严重,导致接触不良;二是电路问题。修复方法如下:
1. 针对弹片氧化的问题,可以尝试把弹片的氧化部分刮干净。如果这个方法无效,或者弹片氧化过于严重,那么可以直接更换一个轻触开关。处理完成后,可以在新的开关的金属弹片上打点胶固定,然后组装上开关。
2. 如果问题在于电路,可以用万用表检查电极片导通情况。此外,如果发现连接线存在老化现象,可以将其更换为新的连接线。
3. 在处理过程中,如果发现轻触开关内部电极片失去导电能力,可以更换新的电极片来修复。
在日常使用中,开关内金属弹片容易氧化可能导致接触不良等问题。这时可以用刀刮弹片或选择更换这个开关的金属弹片元件。处理完成后,可以用胶水固定开关的金属弹片,然后组装开关。同时,为了保护开关,使用时尽量避免对按钮施加过大的压力。
相关推荐