手机:13827297626
电话:13827297626
邮箱:435281082@qq.com
地址:广东省东莞市樟木头镇圩镇荔苑路7号星耀国际
发布时间:2019-11-08 点此:10634次
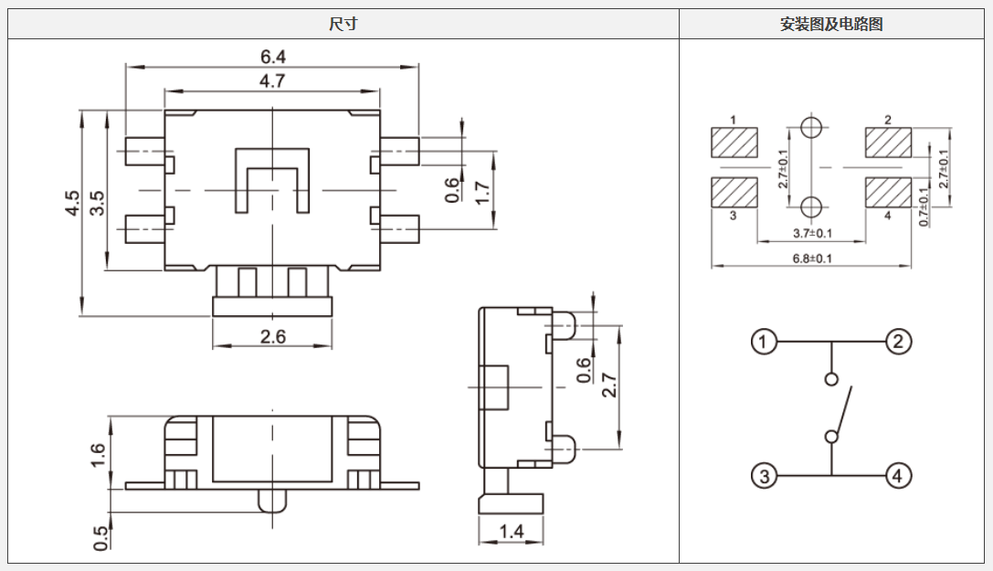
3*4侧按轻触开关厂家批发价格:0.01~0.05元/个;
小乌龟型的侧按轻触开关,多用于小型精密仪器,比如机器人,智能扫地机,鼠标就键盘等设备上。
1.工作温度范围:-30℃to+85℃;
2.额定电流:50mA.12V DC;
3.绝缘电阻:100MΩ min.100V DC;
4.介电强度: 250V AC for 1 min;
5.接触电阻:100m Ω max.






盐雾试验
在以下设定条件下进行测量:(1)温度:35℃±2℃;(2)盐溶液浓度:5±1%(质量百分比);(3)时间:12h±1h 实验后的盐沉积物后水冲掉金属件上没有腐蚀斑点;
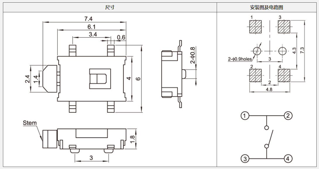
侧功能键轻触开关的二种形式参数是同样的,主要参数包括使用期、应用幅度、耐高温、耐环境湿度等乃至应用弹簧片能够是一样的,他们仅仅表面一部分不一样,在应用中都是一样的,倘若二种电源开关装产成品上实际操作,大部分是分不出去哪种是带支架,哪种是带精准定位柱。
不论是带支架还是带精准定位柱,他们都是以便快又稳的固定不动产成品上,侧功能键轻触开关有别于其他轻触开关,它只能2个脚导电性沒有大量的脚来固定不动,其他轻触开关都是有四个脚乃至大量,那麼多脚中也只能2个导电性,其他全是具有固定不动的功效。
侧功能键轻触开关在组装层面人工是没办法组装的,和贴片式轻触开关一样,必须借助设备组装,那样迅速又精确,人工组装非常容易在电焊焊接的那时候损坏。由于侧按轻触开关脚位较为短也要支架或是精准定位柱与商品居中,并且电源开关电焊焊接温度就那么高,久了会损坏,温度高了也会损坏,因此在组装中,一般都应用设备,非常少用人工来组装,可是软件式轻触开关许多全是用人工组装。
常见问题:1、手感;2、附着力;3、盖子脱落;4、轻按不导通;5、电阻值偏高;6、过炉后按不动。
相关推荐