欢迎访问东莞市颖鑫电子科技有限公司

10年专注电子元器件生产研发

产品质量有保 售后7×24小时服务

24小时咨询热线:13827297626
联系我们
tel24小时咨询热线: 13827297626

手机:13827297626

电话:13827297626

邮箱:435281082@qq.com

地址:广东省东莞市樟木头镇圩镇荔苑路7号星耀国际

您的位置:首页>>连接器>>正文

连接器

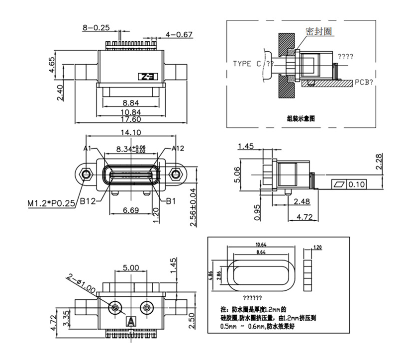
16PIN 防水TYPE-C

发布时间:2021-12-18 点此:3888次

带耳双螺丝16PIN 防水TYPE-C USB母座厂家批发价格:2~3.5元/个;

通用型螺丝孔,螺丝由内往外锁,锁到塑胶壳上,自带螺母。

带耳type-c母座

规格尺寸图:

防水 USB Type-C 尺寸图纸

相关推荐

在线客服
服务热线

24小时咨询热线:

13827297626

微信咨询
颖鑫电子
返回顶部