手机:13827297626
电话:13827297626
邮箱:435281082@qq.com
地址:广东省东莞市樟木头镇圩镇荔苑路7号星耀国际
发布时间:2019-08-02 点此:13689次
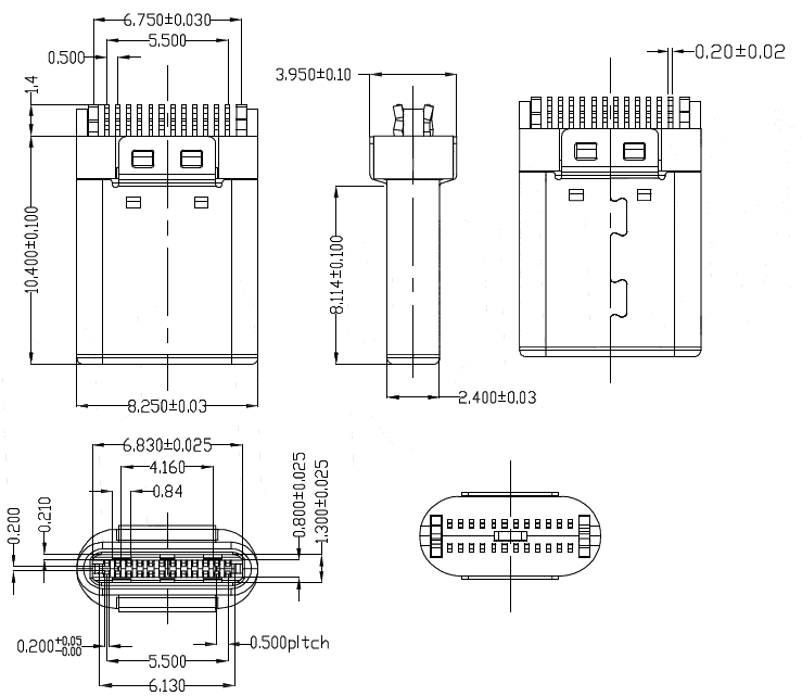
带板USB Type-C价格:0.4-1.5元/个
USB Type-C,简称Type-C,是一种通用串行总线(USB)的硬件接口规范。新版接口的亮点在于更加纤薄的设计、更快的传输速度(最高20Gbps)以及更强悍的电力传输(最高100W)。Type-C双面可插接口最大的特点是支持USB接口双面插入,正式解决了“USB永远插不准”的世界性难题,正反面随便插。同时与它配套使用的USB数据线也必须更细和更轻便。

工作温度:-20℃——+70℃;
耐压:AC500V(50Hz)/min;
额定负荷: DC 30V 0.5A-2.0A ;
动作力:3~20N;
接触电阻:≤0.05Ω;
绝缘电阻:≥100mΩ;

上一篇:插座开关选购技巧
下一篇:USB和Type-C的区别
相关推荐