手机:13827297626
电话:13827297626
邮箱:435281082@qq.com
地址:广东省东莞市樟木头镇圩镇荔苑路7号星耀国际
发布时间:2019-11-02 点此:13549次
防水轻触开关厂家报价的批发价格:0.10~0.52元/个;
工作温度:-20℃to+70℃;
额定电流:50mA.12V DC;
绝缘电阻:100mΩ min.100V DC;
介电强度:250V AC for 1 min;
接触电阻:接触电阻;
按压克力:120gf,160gf,250gf等等;
开关行程:0.25±0.1mm;
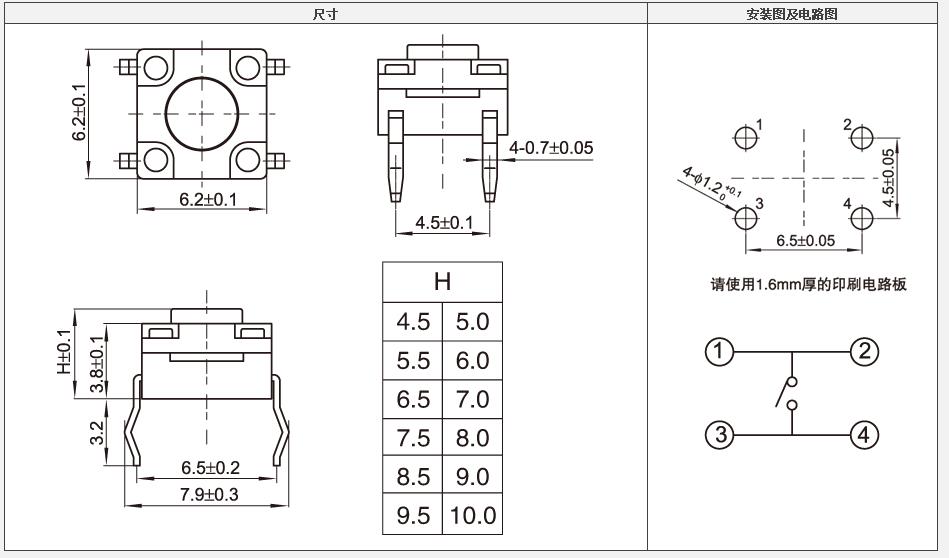
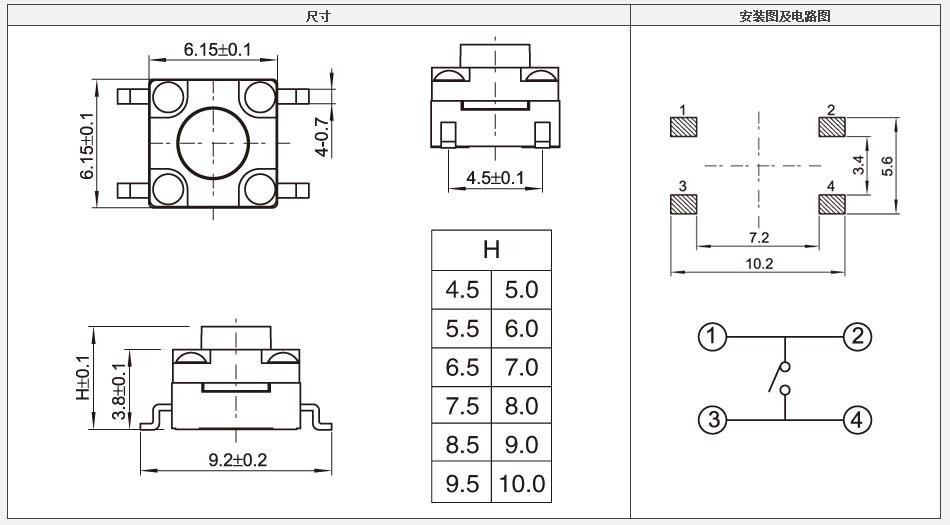
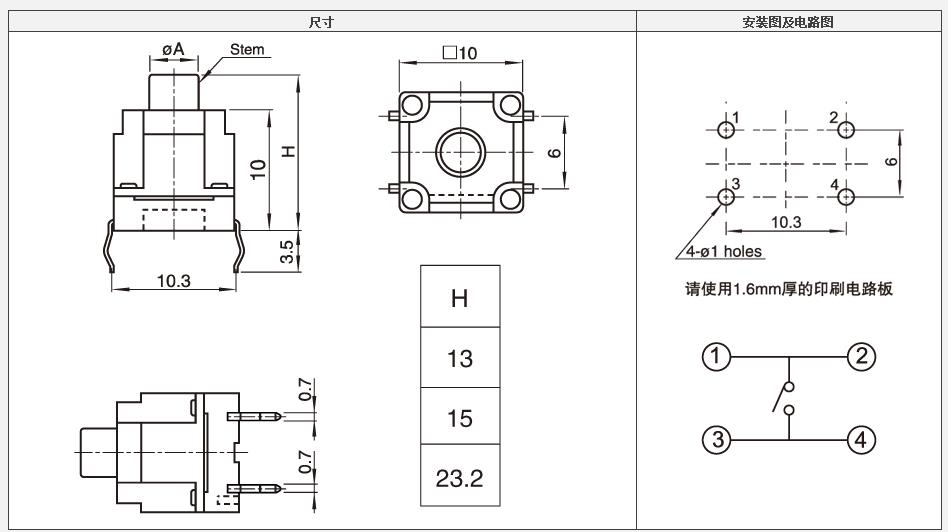
推荐可选高度尺寸:4.3mm/4.5mm/5.5mm/6.5mm/7mm/7.5mm/8mm/8.5mm/9mm/9.5mm/10mm/10.5mm/11mm/11.5mm/12mm;
防水轻触开关的优点多用于阳台上洗衣机面板防水原理,微波炉和电饭煲等家居电器的面板上面,解决用于手机的是贴片型的防水,现在多用生活产品关注的音量键上,以前用在数字键盘上。
相对于普通的轻触开关,在密闭性上和生产的过程要求会更高,多用于特殊的防水设备上。防水轻触开关分为:1、插件防水轻触开关;2、SMD贴片防水轻触开关;大多数防水开关的防水等级都在IP67左右,同时,可以在水下1M左右的位置,常温下,30分钟左右不会损坏.
玩具仪器6*6插脚4触点防水轻触开关:

制造四脚防水隔离空气轻触开关电路图:

6*6贴片4金属触角防水轻触开关

K3耳机防水防尘轻触开关电路设计图:

家用定制红头颜色电源防水按键开关(编带封装)

红色按钮款式结构规格书图片

常见问题一
1.不同需求的防水轻触开关方案目前来说,各行业都是需要到开关,但是也是由于开关规格类型区分较多,每种规格不同的开关都会有着不同功能和安装装修步骤。但是一般在装修购置材料的时候,建议还是要选择防水型开关的选购,因为所安装的开关它有着非常大的作用,在日常当中,肯定经常都是会有接触到水气的地方,那么若是一些开关的材质不防水,很容易就造成这个开关出现故障的状况,严重的话,还有可能直接造成损坏而报废。
常见问题二
2.还有关于很多用户都反映在刚安装防水轻触开关使用不了多久,就出现一些手感不好的状况问题,从而就一致认为是开关的品质问题。这其中所了解发现,其实也大部分的问题都是由于一些安装开关的操作方法不当,以至于才导致这些质量故障的情况产生。如开关在安装当中,对于所添加的松香(助焊锡)不能过多,因为过多的松香,容易会使开关的焊接温度升高,那么当焊接工艺过后,开关的塑胶材质一般都是容易致使出现变形而导致开关卡键等问题产生。因此请多注意开关的日常操作是否规范使用。
常见问题三
3.其次据发现大多人在防水轻触开关的选购上讲,都以为开关功能也就都差不多,随便安个能用的就行了,没必要关心那么多。但是许多用户都是容易忽略掉的一点,那就是对于一些开关的材质构成等参数信息都是要了解清楚,因为目前大多数过标准的开关都是采用的pc耐磨耐高温的材质,但是也有一些小商家为了竞争,降低价格,从而在材质上就有所做手脚,采用一些劣质不达标的材质,那么自然对于在开关的操作上,使用不了多久就造成出现表面起泡、按键卡键等一系列的问题状况。
常见问题四
4.企业对于各位防水轻触开关经常说防水轻触开关出现的一些按键容易脱落或是卡键无法按动的情况:
其一这主要多数的原因都是有可能大家在日常按键开关的时候,没有正确的往开关的中心部位按键开关,一般开关按键受力都是在中间,其余周边都是一些盲区的按键感应,若是经常侧按或斜按,都是容易造成开关内部的弹片错位偏移,那么由此就会导致出现防水轻触开关按键凸陷下去容易卡住按不动的现象。
其二关于防水轻触开关的按键容易脱落的状况,有可能是在日常的按键开关时,对于所使用的操作力度太过大,以至于造成开关内部的弹簧感应灵敏度有所影响,当一下子按键力度过大,轻触内部的弹片灵敏度也会一下子增大,从而会造成把开关的按键帽子弹出来。
因为系列分类很多,以及不同型号的性能也是有所差别,如果客户没找到对应外观的产品,都可以直接咨询在线客服领取更多资料,颖鑫电子厂家为您提供专业全方位的服务,公司品质保证,免费寄样,设计研发和管理人员齐全,寿命超长保障的优质电子元器件。东莞市颖鑫电子科技有限公司也展示更多数码产品的usb插座和母座、拨动开关,ETC检测开关,以及其他不同类型引脚触点的电子元器件,需要详细技术介绍说明书下载和快速售后。
防水轻触开关的制作要相对于普通的轻触开关要复杂点,主要是要保证防水性,就需要对密封性的要求很高,无论是从相关的材料到自动制作工艺,都需要上更多技术层面,而且防水时间的长短,也取决于制作工艺的精密程度。开关在电子元器件和连接器相互控制配合,也需要对设计者在了解产品的经验和资质要求很高,建议在使用的时候,阅读相关的产品技术新型文章和工作原理,这样就能很好的让开关应用在设备上。
相关推荐