手机:13827297626
电话:13827297626
邮箱:435281082@qq.com
地址:广东省东莞市樟木头镇圩镇荔苑路7号星耀国际
发布时间:2021-03-10 点此:3524次
轻触开关是在按下轻触开关的按钮时候,弹片就会因为受到弹力作用而发生形变并向下接触焊片,并成功的使开关里的四个引脚相接通,从而实现电路的接通。当撤离外力的时候弹片就会恢复到原来的状态,引脚之间也不会接通,所以电路就会处于一种闭合的状态。
不同款式的轻触开关电路有少许区别,下面列举几款常见的电路图
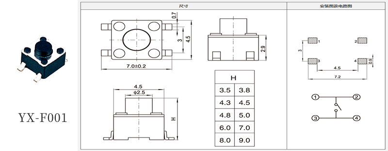
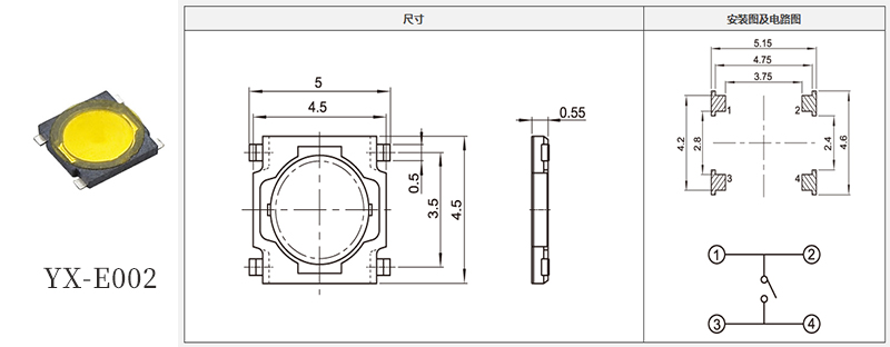
2*4轻触开关安装尺寸和电路图

4.5*4.5轻触开关安装电路图

4*4轻触开关安装电路图

当在给轻触开关的端子进行焊接的时候要是在端子上增加负荷就会因为条件的不同而会出现松动、变形或者是电特性劣化的情况,这点需要注意了,使用电路板的时候,因为热应力的影响会发生变化,所以在之前需要对焊接条件进行一下确认。
四脚轻触开关在使用过程中不能够自锁,但使用者只要按下去一次,四角开关的信号就会发生一次变化。而至于轻触开关四个角怎么接,这对电工而言是非常重要的知识,具体如下:
1、将万用表调至二极管处;
2、先测量四角中的任意两脚,判断哪两个角是导通的,哪两个角是断开的;
3、按下按键,再测量任意两脚,然后判断哪两个角是导通的,哪两个角是断开的;
4、开始断开,按键按下导通的两脚可做为焊接的两个角

上一篇:可变电阻进口电位器
下一篇:电路板上电子元器件认识与维修
相关推荐