手机:13827297626
电话:13827297626
邮箱:435281082@qq.com
地址:广东省东莞市樟木头镇圩镇荔苑路7号星耀国际
发布时间:2021-03-09 点此:7315次
可调电阻进口电位器:2~3元/个;
进口的电位器相对于国产的价格要贵上很多
电气特性
全阻值 :500Ω- 1MΩ
全阻值公差:±10%
阻抗特性型式:A,B,C,D
最大工作电压:B线性:AC 200V 其它线性:AC 150V
额定功率:B线性:0.5W 其它线性:0.25W
杂音:Less than 100mV
绝缘阻抗:More than 100MΩat DC 250V
耐电压:1 minute at AC 500 V
残留阻值:Term.1~2: Less than 10Ω Term.2~3: Less than 20Ω
机械特性
全回转角度:300±10(degree)
旋转力距:20~200 gf.cm
旋转止动强度:5.0Kgf.cm Min
推拉强度:Push:7.0kgf Min
耐久性能
旋转寿命:500000 Cycles

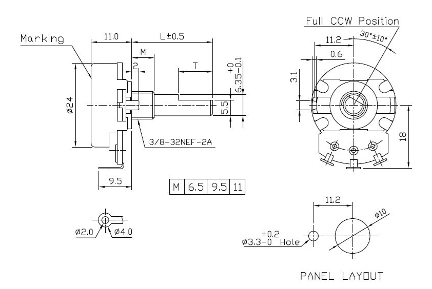
进口电位器尺寸图

相关推荐