手机:13827297626
电话:13827297626
邮箱:435281082@qq.com
地址:广东省东莞市樟木头镇圩镇荔苑路7号星耀国际
发布时间:2019-10-28 点此:10744次
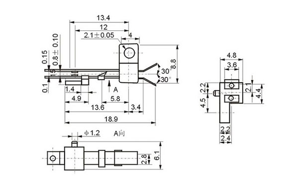
叶片开关厂家批发价格:0.1~0.5元/个
工作指标工作参数
温度范围:-30℃至85℃;
额定电流电压:1A 15A 12V 16V DC;
绝缘电阻:100MΩmin、500VDC;
绝缘强度:500V ACfor 1min;
瞬变电阻:30mΩmin MAX;
使用寿命:10000-50000次以上;
因为叶片开关种类非常多,有需求的客户可以联系在线客服,领取叶片开关产品大全,叶片开关多用于玩具和小型设备上。

叶片开关验收标准:外观各个部位良好无生锈、裂痕、电镀等不良现象,尺寸和设计图一致。下面详解在各种场景下的性能测试:
机械性能:
1、动作力:操作力度为90±10g;
2、端子强度:一个400 克之静负荷施加于端子顶部的一个方向持续1 分钟,无任何迹象显示机械及电器性能之损坏。
3、柄子强度:一个400 克之静负荷施加于端子顶部的一个方向持续1 分钟,柄子无变形,可以正常操作。
耐久性:
1、可行实验:端子顶部被浸入焊锡池2mm 深,温度260=10℃时间6 秒,浸入的部份以90% 上表面被锡覆盖。
2、寿命试验:无负载条件下, 每分钟15-18 次的速度操作100,000次。
3、耐热试验:在85±2℃环境中放96 小时,再放在正常环境中30 分钟后进行测试。
4、耐温试验:在40± 2℃ 90-95%RH 环境中放96 小时,再放在正常环境中30 分钟后进行测试。
5、耐冷试验:在-30±2℃环境中放96 小时,再置于正常环境中30 分钟后进行测试。
东莞市颖鑫电子科技有限公司,竭诚服务好每位客户,为客户提供优质的产品以及售前售后服务。颖鑫企业不仅生产叶片开关,同时也生产各种usb插座和按钮微动开关,门锁开关,在用途和功能上不断的创新新的设计技术,也在方便电工的安装设备上做出不少努力,让安装的步骤更加简单,更快完成项目工程。我们始终执行一个理念,提供高质量的产品给客户,让采购人员更加方便的找到我们的产品。颖鑫电子公司的产品都是经过环保认证,从细节做到客户满意。如果客户还需要dc插座或者滚珠开关、直键开关,可以咨询在线客服。

上一篇:三档波动开关
下一篇:SW-200D系列滚珠开关
相关推荐