手机:13827297626
电话:13827297626
邮箱:435281082@qq.com
地址:广东省东莞市樟木头镇圩镇荔苑路7号星耀国际
发布时间:2020-11-17 点此:2879次
复位型叶片开关厂家批发价格:0.3~0.5元/个
叶片开关技术指标:
RATING(额定值) :1A 30V DC
接触电阻:≦200mΩ
绝缘电阻:≧500MΩ
耐电压: AC250V(50Hz)/min
使用温度范围: -20℃~+70℃
动作力:50~70gf
机械寿命:30,000次

叶片开关的常用材料有磷铜dao,磷铜因含磷量较高,其zhi抗疲劳dao强度较高,都是做弹片的好专材料。但磷青dao铜更好一些,理由是导电好、弹性好。但从耐磨的角度,锡磷青铜又好一些。
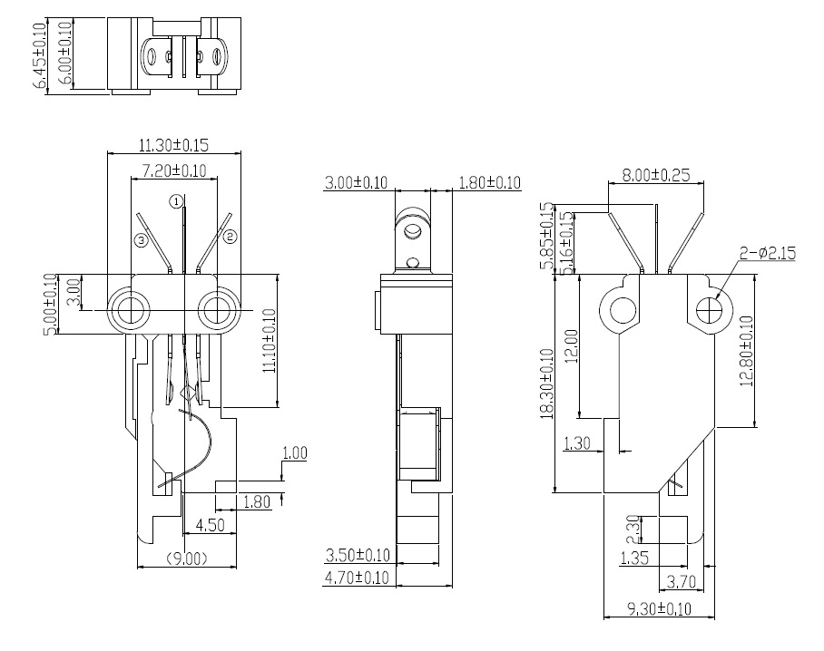
复位叶片开关规格图:

下一篇:轻触开关产销
相关推荐