手机:13827297626
电话:13827297626
邮箱:435281082@qq.com
地址:广东省东莞市樟木头镇圩镇荔苑路7号星耀国际
发布时间:2020-12-16 点此:7788次
颖鑫电子6脚两档拨动开关厂家批发价格:0.15~0.23元/个;
产品名称: 拨动开关;
制作工艺: 全自动装配;
额定电流:0.2A;
工作寿命:10000次;
工作温度:-30-75度;
耐 压:12V DC;
包装方式: 1000PCS/包 ;

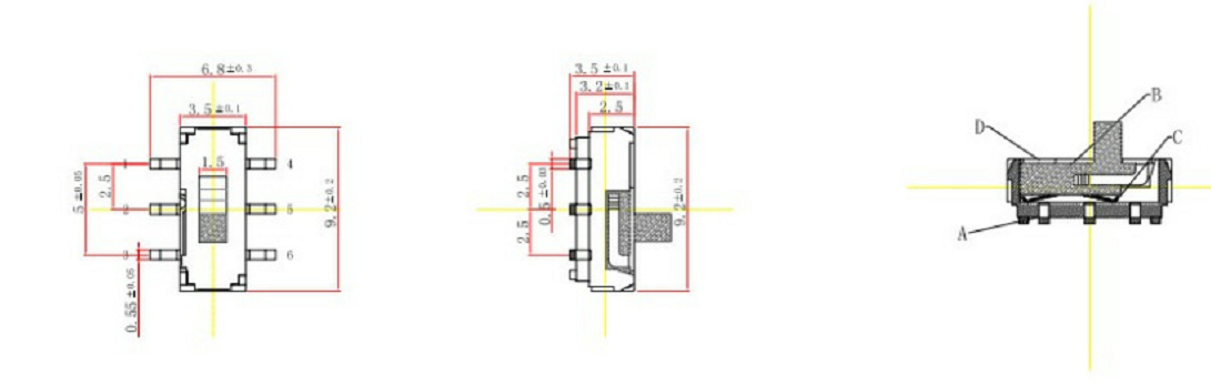
六脚拨动开关主要由以下部件通过相应的工艺处理后装配而成:
1.铁壳 (材质:一般为铁;处理工艺:通过电镀镍或者煲黑工艺处理,从而防止其氧化)
2.塑胶手柄(材材:一般为POM料,如有防火阻燃耐高温要求,则常选用PA尼龙料 处理工艺:注塑成型)
3.端子 (材质:一般为磷铜; 处理工艺:电镀银)
4.绝缘底板 (材质:电木板; 处理工艺:冲压成型)
5.接触码片 (材质:一般为磷铜; 处理工艺:电镀银)
6.圆形波珠 (材质:一般为不锈钢; 处理工艺:电镀镍)
7.弹弓 (材质:青铜; 处理工艺:冲压成型)
8.装饰油 (材质:红油或者绿油 化工油的一种,涂抹在端子与底板的接触部位,起装饰作用。一般要求无毒,环保)

六脚拨动开关引脚电路图

上一篇:MINI八脚拨动开关
相关推荐