手机:13827297626
电话:13827297626
邮箱:435281082@qq.com
地址:广东省东莞市樟木头镇圩镇荔苑路7号星耀国际
发布时间:2020-12-15 点此:5562次
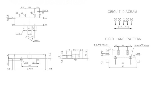
MINI八脚拨动开关厂家批发价格:0.1~0.16元/个;
产品说明:类似此款开关有分七脚和三脚拨动,三脚则去掉四个固定脚,柄分为白柄和黑柄,不注明的随机发货。柄向有1.5,2.0和2.5,常规为1.5;
额定电流:50mA MAX;
额定电压:DC 12V;
接触电阻:50MΩ MAX
绝缘电阻:100MΩ min,100V DC;
耐压强度:110AV for 50Hz/min;
操作力度:200±50gf
机械寿命:10000次;

产品特点:通过推动装有动触点的钮柄滑动,使动触片从一组静触片接到另一组静触片上实现电路换接的开关。滑动开关是一种钮柄有触点,利用滑动该点的位置,使得动触片与两组分别静触片接触来转接电路的开关。它的静触片和动触片分别位于绝缘座和钮柄上。其应用受到气流、压差、电压、流体反弹、安装方法、方向等各种要素的影响,一般在低压电路中运用得比较多,因其体积小、滑块灵敏度高、转换点、安稳可靠,被大量运用到传真机、多功能电话机、收音机、电动玩具等各种仪器与电子产品。

相关推荐