手机:13827297626
电话:13827297626
邮箱:435281082@qq.com
地址:广东省东莞市樟木头镇圩镇荔苑路7号星耀国际
发布时间:2020-09-11 点此:2297次
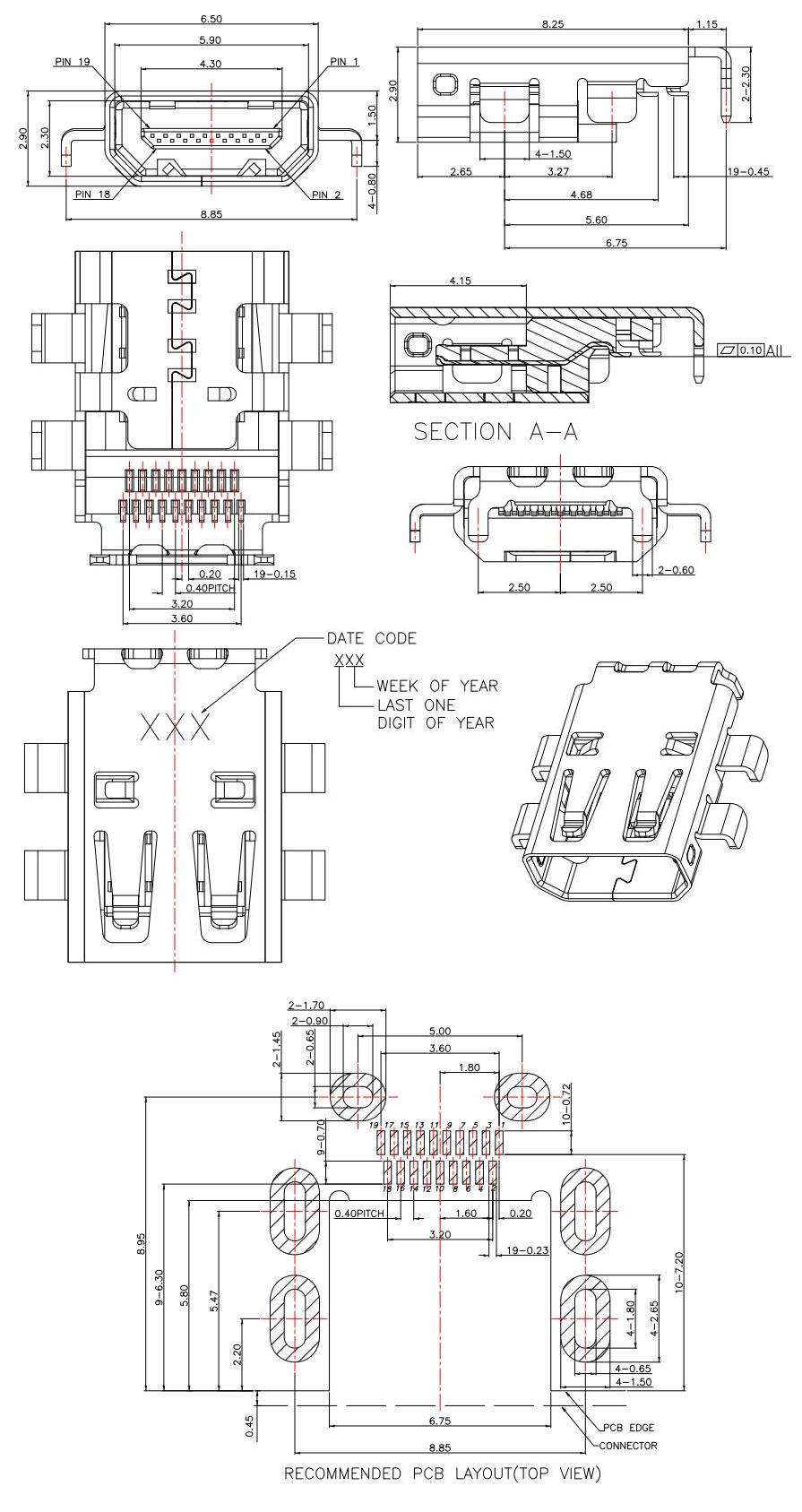
HDMI D TYPE,沉板高H:1.5mm,HDMI-D-5 HDMI sockets
产品规格
型式:HDMI TYPE D
胶芯正反向:正向
插拔力:5-44N
插拔次数:5,000次
焊接方式:SMT 沉板/板上高 H:1.5mm
外壳电镀:镀镍
包装方式:1,100PCS/Reel


上一篇:钮子开关TS4-202C4
相关推荐