手机:13827297626
电话:13827297626
邮箱:435281082@qq.com
地址:广东省东莞市樟木头镇圩镇荔苑路7号星耀国际
发布时间:2020-06-04 点此:4310次
苹果手机音量键轻触开关厂家批发价格:0.29~0.5元/个;
这款轻触开关多用于手机上的音量键,有防水防尘作用。

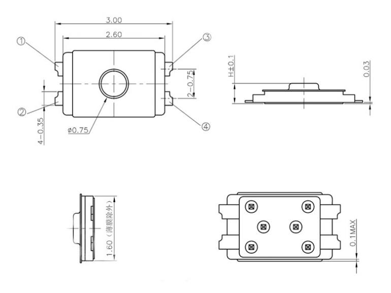
外观尺寸 (LxW) (mm): 2.6mm×1.6mm 2.6mm×1.6mm
离安装面高度 (mm) :0.6±0.1mm
操作方法 :正压型
焊接对应:回流焊
实装型:表面安装
额定:DC 12V/50mA
接触电阻 (mΩ以下):500mΩmax.
绝缘电阻 (MΩ以上 at 100V DC):DC100V 60S 100MΩmin.
耐电压:AC250V(50~60HZ) 60S min.
振动:10ms 以下 (ON, OFF)
操纵力矩:160gf 240gf
行程种类:短行程
行程 (mm):0.12±0.05mm
使用寿命:50万次
保护构造:IP67
使用温度范围:–40℃~+90℃
保存温度范围:–40℃~+90℃
包装形式:模压带包装 (盘卷包装)
最小包装数量:10000PCS/盘



上一篇:插件轻触开关尺寸图
下一篇:7*7*12按键开关
相关推荐