手机:13827297626
电话:13827297626
邮箱:435281082@qq.com
地址:广东省东莞市樟木头镇圩镇荔苑路7号星耀国际
发布时间:2022-11-14 点此:4254次
12*12轻触开关多用于各类电子数码产品,也有很多用于需要高频按压的设备,正常这款产品的使用寿命是10万次以上按压,有更换方便,总体看经济性不错。

12*12*H轻触开关相关技术参数
使用环境温度:-25~+85℃;
额定负荷:DC 12V、50mA;
接触电阻:≤50mA;
绝缘电阻:≥100MΩ;
耐压:AC250V(50Hz)/min;
操作力:250±50gf;
使用寿命:100000次;
高度:4.3~13mm;

12*12轻触开关结构分析
①:塑胶按钮,高度可以根据客户产品情况定制;
②:金属冷轧钢盖板,这个主要用于封装轻触开关内部零件;
③:不锈钢或者复合银弹簧片;
④:工程塑料或者耐高温材料底座,有些需要过回流焊,需要用到耐高温的材料才不会变形
⑤:黄铜金属针脚,用于连接电路,常见有4脚和2脚,少部分是边三脚的。

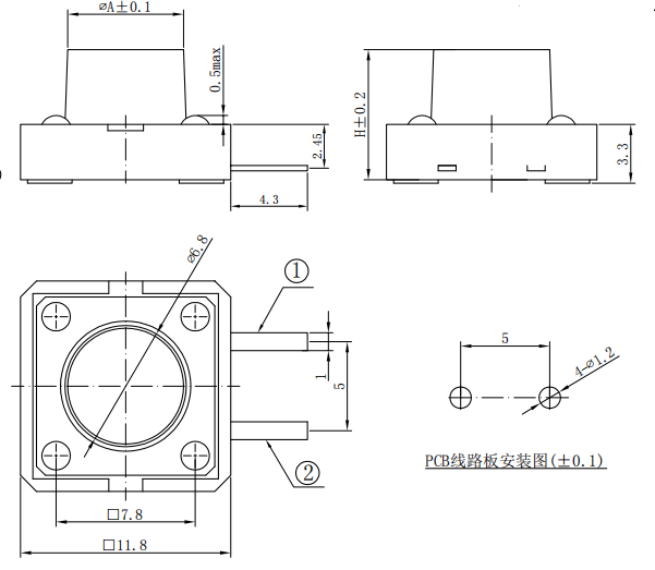
12*12轻触开关尺寸安装图

通过上图的2脚轻触开关尺寸和电路图,可以大致知道边2脚轻触开关的接线方式,和正常一样,一个正极和一个负极,接线方式也很简单。
上一篇:立式轻触开关价钱多少
下一篇:轻触开关尺寸怎么看
相关推荐