手机:13827297626
电话:13827297626
邮箱:435281082@qq.com
地址:广东省东莞市樟木头镇圩镇荔苑路7号星耀国际
发布时间:2022-11-16 点此:3455次
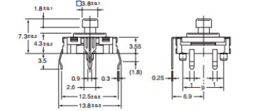
问:轻触开关尺寸怎么看?

答:通过上图的轻触开关结构,我们大致了解了下轻触开关的情况,那么下面就讲下轻触开关的尺寸怎么看和怎么量,通常轻触开关需要用到卡尺去量才会比较准确,量轻触开关的时候需要注意卡尺的计算规格,避免单位换算错误。

轻触开关的尺寸还可以通过规格图进行详细了解,如下图,就可以比较清晰的知道轻触开关的长宽高以及针脚的规格等信息。

上一篇:12*12轻触开关结构参数
下一篇:轻触开关跟触摸开关哪个好
相关推荐