手机:13827297626
电话:13827297626
邮箱:435281082@qq.com
地址:广东省东莞市樟木头镇圩镇荔苑路7号星耀国际
发布时间:2022-07-23 点此:3538次
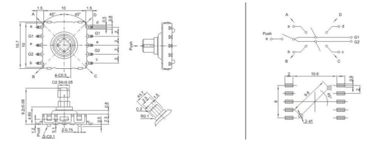
显示器五向开关_显示屏多功能开关厂家批发价格:0.7~1/个;
五向开关通常也被称作为波段关,它是过一段段波段来实现完成工作的。能使用在各种电子产品和仪器上,也被称作为多极多位开关。按操作方式可分为:旋转式开关,简称为旋转开关,拨动式开关,简称为拔动开关,通常应用较多的是旋转式拔动开关。

额定电流:50mA. 12V DC
绝缘电阻:100MΩ min.100V DC
介电强度:250V AC for 1 min.
接触电阻:50mΩ max.
操作温度:-30℃to +85℃
寿命:5,0000 Cycles min
操作力:4-direction 160±30gf Center push 280±50gf
行程:4-direction0.2±0.1mm Center push 0.15±0.1mm

上一篇:五向开关怎么安装?
下一篇:家用垃圾桶上门锁开关的应用
相关推荐