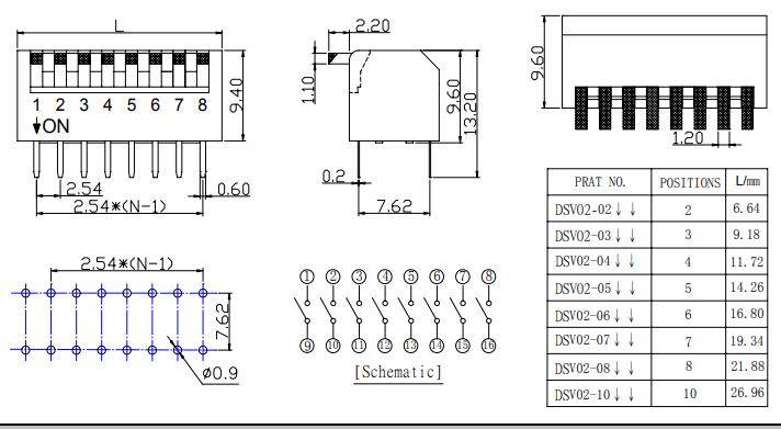
拨码开关使用方法
拨码开关的工作原理拨码开关,也被称为DIP开关、拨动开关,超频开关,地址开关,拨拉开关,数码开关,指拨开关等,是一款用来操作控制...
阅读详情手机:13827297626
电话:13827297626
邮箱:435281082@qq.com
地址:广东省东莞市樟木头镇圩镇荔苑路7号星耀国际
拨码开关使用方法

拨码开关的工作原理拨码开关,也被称为DIP开关、拨动开关,超频开关,地址开关,拨拉开关,数码开关,指拨开关等,是一款用来操作控制...
阅读详情
一、简介拨码开关(也叫 DIP 开关,拨动开关,超频开关,地址开关,拨拉开关,数码开关,指拨开关 是一款用来操作控制的地址开关,...
阅读详情
问:dip开关是什么意思DIP开关(DIP switch)也称为指拨开关,是可以人工调整的开关,多半是数个开关一组,以标准双列直...
阅读详情
5p拨码开关厂家批发价格在:0.35~0.4元/个;一,产品特性开关容量:25mA 24VDC绝缘电阻:...
阅读详情
4位DIP指拨开关厂家批发价格:0.30~0.5元/个;拨码开关,有三种款式,三种款式又有不同位数。(1)平拨式DSE和进口的一...
阅读详情
1位/1P拨码开关厂家批发价格:0.25~0.3元/个;1 额定电流:切换电流 25mA,24VDC,不切换电流 100mA,5...
阅读详情