手机:13827297626
电话:13827297626
邮箱:435281082@qq.com
地址:广东省东莞市樟木头镇圩镇荔苑路7号星耀国际
发布时间:2022-06-10 点此:3652次
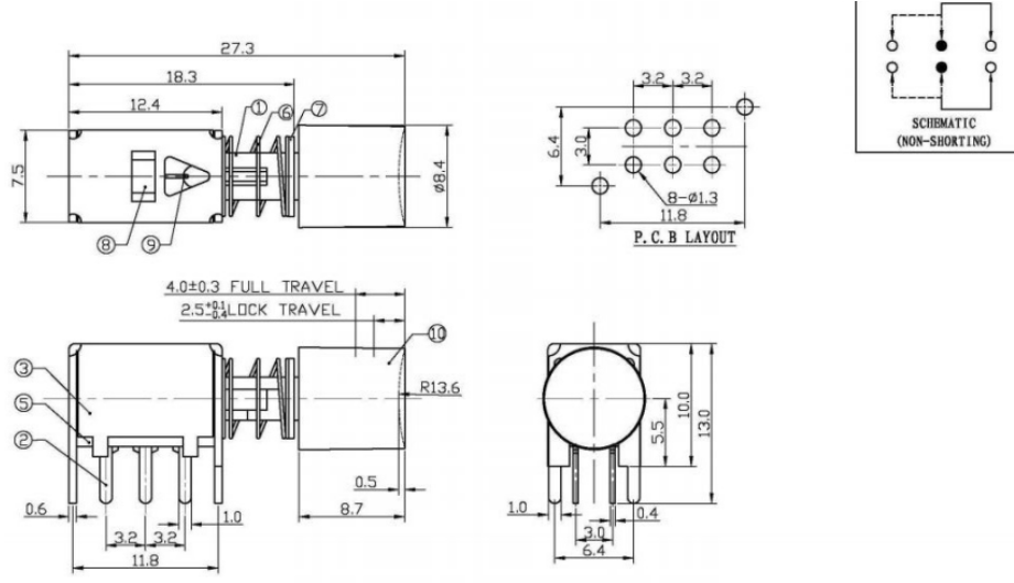
产品描述:27.5*7.5*13 自锁白色内凹胶帽式按键开关
产品特点:27.5*7.5*13 尺寸;回路:2P2T,自锁功能满足客户电源开关选型需求

脚型:插件,垂直90°按压
行程:2.5mm(总行程4.0mm)
力度:90gf,250gf ,400gf,500gf可选
寿命:1万次

上一篇:轻触开关质保多久?
下一篇:家用电器按键轻触开关多高
相关推荐