手机:13827297626
电话:13827297626
邮箱:435281082@qq.com
地址:广东省东莞市樟木头镇圩镇荔苑路7号星耀国际
发布时间:2022-02-12 点此:4834次
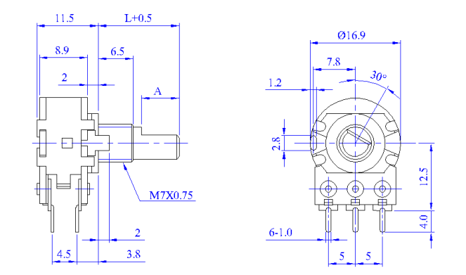
五脚开关电位器厂家批发价格:0.7~0.8元/个;

五脚开关电位器机械的性能 (Mechanical characteristics):
全回转角度(Total rotational angle):300°±5°
回转力矩(Rotational torque):30~250gf.cm
回转止动强度(Rotational stopper strength):6Kgf.cm
轴押引强度(Push-pull strength):3Kgf. 无间隙, 5Kgf无脱落
轴摇晃度(Shaft wobble):0.7×L/30mm p-p max.
开关工作角度(Switch Working Angle):50±5°
开关工作动力(Switch Working Torque):150~450gf.cm
三 电气的性能 (Electrical characteristics)
全阻抗值(Total resistance):5 KΩ
全阻抗值容许差(Total resistance tolerance):±20%
残留阻值(Residual resistance):R≤10KΩ 10Ω;10K<R<250KΩ 20Ω;R≥250K 0.1% max. of total resistance
抵抗变化特性(Resistance taper):□A □B □C □D □W █ SB
定格电力(Ratings power):B:0.1W;A、C:0.05W
最高使用电压(Maximum operating voltage):150V AC;20V DC
滑动杂音(Slider noise): 未满100mv Less than 100mv
绝缘抵抗(Insulation resistance):100MΩ min. at 500V DC
开关承受负载(Swiktch Power Rating):1.0A at DC 12V
耐电压(Voltage proof): 1 minute at 500V AC
回转寿命(Rotational life):10,000 cycles

上一篇:RJ45和RJ11的区别
下一篇:塑胶拨动开关