手机:13827297626
电话:13827297626
邮箱:435281082@qq.com
地址:广东省东莞市樟木头镇圩镇荔苑路7号星耀国际
发布时间:2019-11-01 点此:5278次
卧式拨动开关厂家批发价格:0.04~0.5元/个;
卧式拨动开关和立式的最大区别是安装的位置,其他的功能都差不多。立式开关通常是SS开头,卧式的是SK。
卧式开关的选型和检测也是很重要的,主要体现在选型的时候,需要考虑原有设计主板上,是否有其他干扰因素,如空间不足,温度,强磁等等因素。
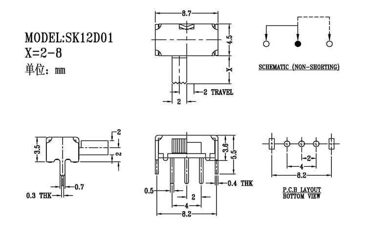
三脚SK-12D系列拨动开关:


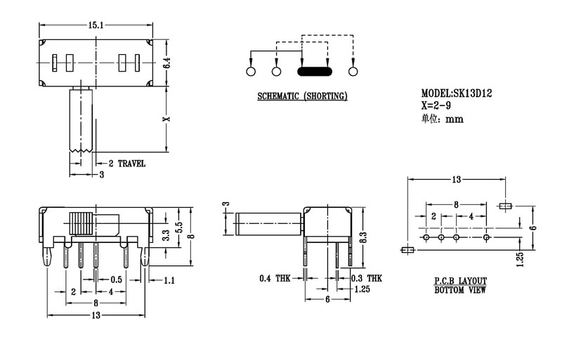
4脚SK拨动开关:


拨动开关检验规范
一、目的: 规范波段开关检验标准、作业内容及操作手法。
二、适用范围: 适用滑动开关的来料检验。
三、检验设备: 万用表、卡尺等。
四、抽样方案: 包装检验:小于4 个包装单位的全检, 5-10 个包装单位的检验4 个,大于10 个包装单位的检验总数的1/3 (取整数);外观、手感性能、导通性抽样依据GB2828-2003 逐批计数抽样标准执行, 检查水平为一般Ⅱ级。尺寸、可焊性检验每批抽取10pcsAQL 值规定CR:AQL=0, MA: AQL =0.65 ,MI :AQL=2.5 。每个包装不良算作一项单项不良。
五、验收要求:
1. 检验员严格按照规定的抽样方案进行样本的随机抽取。
2. 验收所用仪器、设备和测试方法:
验收所用仪器设备必须经过有关部门检定合格并在有效期内,精度应满足测试要求。测试方法应符合合同、技术协议或产品规范的规定。
六、检验条件: 在40W 日光灯条件下,被检查样品放在自己面前10cm 左右的检验桌面上,目测距离为30-35cm 左右。
七、检验项目及方法:
1、包装检验:外包装应注明生产厂家、日期、产品名称或型号规格等,内包装应有防压、防潮措施;标识正确清晰, 外观完好,与标识样本对比应与样本完全一致。
2、外观检验:外表面无破损、无镀层脱落、表面干净, 本体各部分配合紧密无松动及脱落现象,管脚无断裂、变形、折痕。
3、尺寸检验:与样件对比外形尺寸应基本一致。
4、性能检验:(1)导通性;(2)手感;(3)可焊性;
八、开关档位:2档、三档、四档、五档;
东莞市颖鑫电子科技有限公司提供多种型号给客户选择,可以根据不同需要定制不同颜色,拨动开关有卧式,立式,贴片等等系列,相关采购人员在采购询价的时候,需要区分下,比如我们常见的两档拨动开关,内部结构有一些也是有差异化的,这个取决于设计加工的过程,同时不同公司企业的生产工艺模式以及原材料的不同,也会导致产品从性能和使用寿命都有很明显的差异化。拨动开关和船型开关,有不少是用途一样,用来控制电源模块启闭的连接器。老式的笔记本工作站等都有应用,现在用的比较多的是轻触按键开关。三档的拨动开关多用于玩具或者对讲机这类产品。东莞市颖鑫电子科技有限公司的产品都是通过TUV和UL环保认证,远销全国各地。同时公司直销产品有轻触开关,DC插座,微型船型开关,微动开关,立式耳机插座,按键小拨动开关等,经营的电子类产品非常的丰富,为客户提供一站式供应服务,发货速度快,可为客户提供所在地区特有的定制电子产品的服务,颖鑫电子公司在广东省内有各大生产基地,占地面积上千平,专业的开模技术员,生产定制类产品速度快,各种工艺成熟,月均单个产品上百万级别。如需定制服务或者咨询产品,可以直接联系在线客服QQ或者在公司简介中拨打陈经理电话联系,欢迎您的咨询!
上一篇:通用防水摇头钮子开关规格参数
下一篇:什么是摇头钮子开关
相关推荐