手机:13827297626
电话:13827297626
邮箱:435281082@qq.com
地址:广东省东莞市樟木头镇圩镇荔苑路7号星耀国际
发布时间:2019-10-29 点此:6196次
单圈电位器RV24YN20S B102 B202 B502 B103 B203 B503 B104厂家批发价格:0.5~4元/个
RV24 常用阻值都有现货,拍下请备注阻值
特殊阻值拍下请咨询,如RV24 B501 B254
B105 B104 B303等等型号
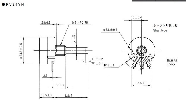
名称:RV24YN20S 单圈 炭膜电位器
轴径:6mm..轴端开槽
标准轴长:20mm
外径:24MM
标准阻值范围:B 500Ω -1MΩ.
现货阻值:1K 2K 3K 5K 10K 20K 30K 50K 100K 200K 500K 等常用阻值
阻值公差: ±10%
机械行程:300°±5°
温度范围:-10℃--85℃
旋转寿命:20,000转
功率:2W
用途:1、用作分压器;2、用作变阻器;3、用作电流控制器;


单圈碳膜是在电位器中应用较为广泛的类别,它的电阻体是研磨的碳黑、石英、石墨等原材料,涂敷于电位器基体的表面而形成的。它的工艺比较简单,原材料比较平民化,所以碳膜电位器备受市场青睐。碳膜电位器有大型、小型、微型几种,有的和开关一起组成带开关电位器。它是在马蹄形的纸胶板上涂上一层碳膜制成。
碳膜电位器原理
从外观看,脉冲电位器与普通电位器一样都是三个引脚,但在其内部与引脚1、2相连的是两个长短不一的金属静片,与引脚3相连的是一周有12或24个齿的金属动片。当脉冲电位器旋转时可出现四种状态:即引脚3与引脚1相连,引脚3与引脚2及引脚1全相连;引脚3与引脚2相连,引脚3与引脚2及引脚1全断开。
碳膜电位器的特点
碳膜电位器有大型、小型、微型几种,有的和开关一起组成带开关电位器。它是在马蹄形的纸胶板上涂上一层碳膜制成。其阻值变化和中间触头位置的关系有直线式、对数式和指数式三种。较常用的是直径在6mm左右阻值变化为直线式的碳膜电位器,也有和开关组成一体的,叫碳膜开关电位器。
碳膜电位器的优点:寿命高,分辩力高,耐磨性好。
碳膜电位器的缺点:非线性, 耐潮性能比较弱,电流噪声大,阻值稳定性比较差。
电位器有分为单圈可调和多圈可调,属于精密一起的一种,在广东不少高新企业的产品里面都有应用,颖鑫电子为各大公司供应不同规格型号的可调电位器。如果客户不知道想要哪种详细类型,下面发布多种型号供客户采购选择,推荐选择可调节环保类型的。
电位器主要是分为一下七种详细的类型:

一.带开关电位器:在精密电位器上附加有开关设备。开关与精密电位器同轴,开关的运动与控制办法分为旋转式和推拉式两。
二.实心电位器:是用石英粉、石墨、碳黑、有机粘合剂等制作的材料混合加热后压在塑料基体上,再经加热聚合而成。 优点:阻值规划宽、耐磨性好、分辨率高、可靠性高、体积小;缺点:噪声大、耐高温性差。 实心精密电位器可分为对数式实心精密电位器、直线式实心精密电位器、小型实心精密电位器。
三.金属膜精密电位器:电阻体是用金属复合膜、金属氧化膜、金属合金膜、氧化钽膜材料始末真空技术堆积在陶瓷基体上制成的。优点:分辨率高、滑动噪声较组成碳膜精密电位器小;缺点:耐磨性欠好、阻值规划小。
四.单圈电位器与多圈精密电位器:单圈精密电位器的滑动臂只能在不到3600的规划内旋转,普通用于音量控制,多圈精密电位器的转轴每转一圈,滑动臂触点在电阻体上仅改动很小一段距离,其滑动臂从一个极点方位到另一个极点方位时,转轴需求转变多圈。
五.线绕电位器:其电阻体是由电阻丝绕在非金属板上或者是涂有绝缘材料的金属制成的。优点是:精度高、噪声低、功率大、稳定性好;缺点是:高频特性较差。线绕精密电位器又分直滑式精密多圈线绕精密电位器、普通线绕精密电位器、精密多圈线绕精密电位器、普通多圈线绕精密电位器、函数式精密多圈线绕精密电位器等。
六.组成碳膜电位器:是当时运用较多的一种精密电位器。它的电阻体是用石英粉、碳黑、石墨、有机粘合剂等制作的混合物,涂在胶木板或玻璃纤维板上制成的。 优点:分辨率高、阻值规划宽;缺点:滑动噪声大、耐热耐湿性欠好。组成碳膜精密电位器又分为直滑式组成碳膜精密电位器、普通组成碳膜精密电位器、带开关小型组成碳膜精密电位器、双联异轴无开关/带开关精密电位器、单联带开关/无开关精密电位器、双联同轴无开关/带开关精密电位器、小型精密组成碳膜精密电位器、推拉开关组成碳膜精密电位器、精密多圈组成碳膜精密电位器等。
七.双联电位器与单联精密电位器:双联精密电位器通常是将两个规范相同的精密电位器装在同一转轴上,调度转轴时,两个精密电位器的滑动触点同步转变。也有部分双联精密电位器为异步异轴;单联精密电位器是由一个独立的转轴控制一组精密电位器。
颖鑫电子公司提供客户各种想要不同类型的电位器价格,推荐选择环保品牌资质的供应商。电位器的用途很广泛,根据不同的功能和不同的行业,可以定制加工不同性能。
相关推荐