手机:13827297626
电话:13827297626
邮箱:435281082@qq.com
地址:广东省东莞市樟木头镇圩镇荔苑路7号星耀国际
发布时间:2020-11-04 点此:37992次
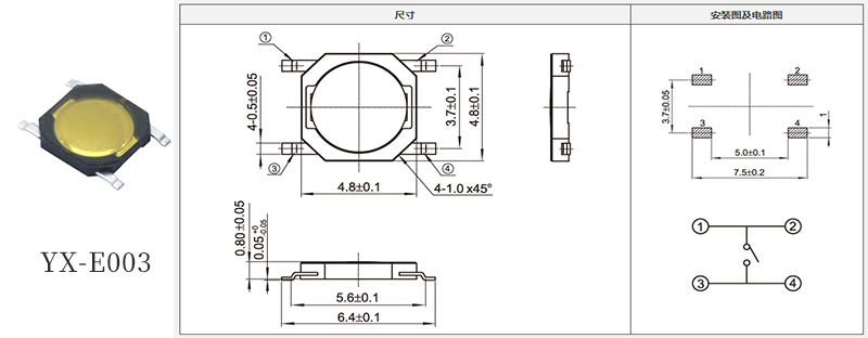
轻触按键4脚开关原理图

通过原理图可以知道,1和2脚是同一端的,3和4是对面同端的,通过按压按钮,接通电路,这种开关的工作原理,其实和普通按钮开关的工作原理差不多,由常开触点、常闭触点组合而成,在四脚按键开关中,常开触点的作用,就是当压力向常开触点施压时,这个电路就呈现接通状态;当撤销这种压力的时候,就恢复到了原始的常闭触点,也就是所谓的断开。这个施压的力,就是用我们的手去开按钮、关按钮的动作。总而言之,四脚按键开关的工作理还是很好理解的。
四个引脚的含义
4个引脚就是有2个组开关,按下去就2组同时通电,放开就是2组同时段开的,当撤销施压的时分,四脚轻触开关就会被关闭,其四脚轻触开关内部结构都是依托金属弹片来维护受力情况,完成接通、断开。由常开触点、常闭触点组合而成,在四脚轻触开关中,常开触点的作用,就是当压力向常开触点施压时,这个电路就呈现接通状态;当撤销这种压力的时分,就恢复到了原始的常闭触点,也就是所谓的断开。这个施压的力,就是用我们的手去开按钮、关按钮的动作。

这四脚轻触开关怎么焊接
根据经验,一般只要的对角就可以进行直接焊接。
注:按键开关的工作原理,就是按键按下的时候两个贴片挨近了,也就是导通了;松开的时候,贴片分离,也就是断开了。
上一篇:3*5*3.4笑脸开关
下一篇:6p不锈钢翻盖式SIM卡座
相关推荐