手机:13827297626
电话:13827297626
邮箱:435281082@qq.com
地址:广东省东莞市樟木头镇圩镇荔苑路7号星耀国际
发布时间:2020-09-10 点此:2744次
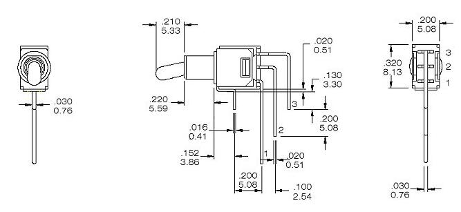
钮子开关TS4102C4弯脚

钮子开关材料
外壳:ABS塑料
Body:ABS
手柄:铜镀镍
Handle:CopperPlatedwithNickel
接触点:铜镀银
TouchPoint:CopperPlatedwithSilver
端子:铜镀银
Connectionend:CopperPlatedwithSilver
钮子开关主要技术参数:
额定电压/电流Voltage/Carrent:250VAC/3A125V6A
介电强度VoltageEndurance:1500VAC50HZ
绝缘电阻InsulatedResistance:≥100MΩ
接触电阻ContactResistance:≤0.02Ω
寿命Life:复位系列≥10000次,无复位系列≥30000次
环境温度enviromenttemperature:-55℃~+85℃
提示:本钮子开关支持定做,如有特殊需求定做时,请根据您不同的需要,尽量选择合适您的手柄和端子

钮子开关结构组成
操作机构:包括钮子杆、转轴、传动臂等,其中钮子杆通常为细长杆状,材质有金属或塑料,用户通过推动钮子杆末端,使其在固定位置之间摆动来实现开关操作。
切换机构:由滑动板、摆臂、凸轮、弹簧、滚珠 / 卡位点等组成,主要作用是将操作杆的机械运动转化为内部触点的切换动作。
触点组件:包含动触点、静触点和端子。动触点一般安装在移动部件上,静触点固定在外壳或基座上,端子用于连接外部导线,通过动触点与静触点的接触或分离来实现电路的通断。
外壳:用于提供支撑、绝缘和防护,防止灰尘、湿气等外界因素对内部元件造成损害。
分类方式
按操作位置分:有二位和三位两种。三位开关又有某一边位置不定位等情况。
按连接电路种类分:可分为单极单联、单极双联、双极单联、双极双联等多种类型,不同类型的开关可满足不同电路的控制需求。
按钮柄种类分:有金属圆锥钮柄、塑料圆锥钮柄、荧光钮柄、塑套钮柄、球形钮柄、扁杆钮柄、锁杆钮柄、波形钮柄、桨式钮柄等。
按安装方式分:有面板安装、垂直安装、水平安装等,其中垂直安装和水平安装又有直角型等不同形式,以适应不同的安装环境和空间要求。
按防护等级分:有防溅式、密封式等,如防溅式钮子开关通常采用‘O’环密封,可防止水滴等液体进入开关内部。
上一篇:MSK-03K拨动开关
下一篇:HDMI-D-1
相关推荐