手机:13827297626
电话:13827297626
邮箱:435281082@qq.com
地址:广东省东莞市樟木头镇圩镇荔苑路7号星耀国际
发布时间:2020-09-13 点此:2871次
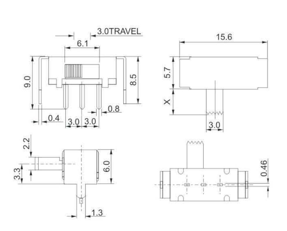
SK-12F02(1P2T)拨动开关咨询价格产品详情
东莞市颖鑫电子科技有限公司是一家拨动开关生产厂家,提供拨动开关,二档拨动开关,三档拨动开关,拨动开关厂家,拨动开关生产厂家,UL认证拨动开关,TUV拨动开关,CQC拨动开关批发,产品热销江苏、浙江、安徽、河南、四川、广东、上海、天津、重庆等地。

拨动开关是通过拨动开关柄使电路接通或断开,从而达到切换电路的目的的。拨动开关常用的品种有单极双位、单极三位、双极双位以及双极三位等,它一般用于低压电路,具有滑块动作灵活、性能稳定可靠的特点,拨动开关主要广泛用于:各种仪器/仪表设备,各种电动玩具,传真机,音响设备,医疗设备,美容设备,等其它电子产品领域。
下一篇:SS-23H24拨动开关
相关推荐