手机:13827297626
电话:13827297626
邮箱:435281082@qq.com
地址:广东省东莞市樟木头镇圩镇荔苑路7号星耀国际
发布时间:2020-09-06 点此:2342次
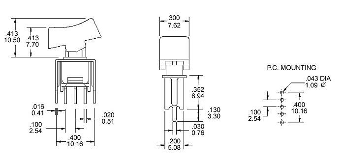
RS4-102R2立式

钮子开关材料
外壳:ABS塑料
Body:ABS
手柄:铜镀镍
Handle:CopperPlatedwithNickel
接触点:铜镀银
TouchPoint:CopperPlatedwithSilver
端子:铜镀银
Connectionend:CopperPlatedwithSilver
钮子开关主要技术参数:
额定电压/电流Voltage/Carrent:250VAC/3A125V6A
介电强度VoltageEndurance:1500VAC50HZ
绝缘电阻InsulatedResistance:≥100MΩ
接触电阻ContactResistance:≤0.02Ω
寿命Life:复位系列≥10000次,无复位系列≥30000次
环境温度enviromenttemperature:-55℃~+85℃
提示:本钮子开关支持定做,如有特殊需求定做时,请根据您不同的需要,尽量选择合适您的手柄和端子
相关推荐