欢迎访问东莞市颖鑫电子科技有限公司

10年专注电子元器件生产研发

产品质量有保 售后7×24小时服务

24小时咨询热线:13827297626
联系我们
tel24小时咨询热线: 13827297626

手机:13827297626

电话:13827297626

邮箱:435281082@qq.com

地址:广东省东莞市樟木头镇圩镇荔苑路7号星耀国际

您的位置:首页>>轻触开关>>正文

轻触开关

6*6圆形ALPS轻触开关

发布时间:2020-08-14 点此:6794次

6*6圆形阿尔卑斯ALPS轻触开关厂家批发价格:0.06~0.09元/个;

阿尔卑斯轻触开关

产品规格:6*6*4.3圆头;

额定发热电流:5A

最大电压:12V;

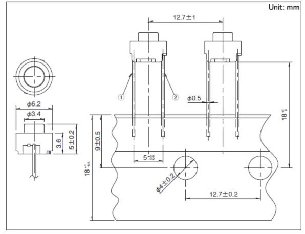
ALPS轻触开关规格书:

ALPS轻触开关尺寸图.jpg

产品款式:

ALPS轻触开关编带


在线客服
服务热线

24小时咨询热线:

13827297626

微信咨询
颖鑫电子
返回顶部