手机:13827297626
电话:13827297626
邮箱:435281082@qq.com
地址:广东省东莞市樟木头镇圩镇荔苑路7号星耀国际
发布时间:2020-08-21 点此:2426次
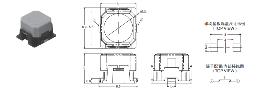
B3AL系列欧姆龙轻触式开关
额定值(阻性负载)DC5~16V 1~50mA
使用环境温度-40~+90℃ 60%RH以下(无结冰、无凝露)
使用环境湿度35~85%RH(+5~+35℃)
接点结构1a(常开接点)
绝缘电阻100mΩ以下
接触电阻100MΩ以上(DC500V绝缘电阻计)
耐电压AC250V 50/60Hz 1min
震荡时间5ms以下(以3~4次/秒的速度敲击柱塞中央部)
振动误动作10~55Hz 双振幅1.5mm
冲击耐久最大1,000m/s2
误动作最大100m/s2
寿命100万次以上
重量约0.18g



上一篇:B3S系列欧姆龙轻触式开关
下一篇:MSK-03P(左复位)拨动开关