手机:13827297626
电话:13827297626
邮箱:435281082@qq.com
地址:广东省东莞市樟木头镇圩镇荔苑路7号星耀国际
发布时间:2019-08-23 点此:41138次
钮子开关是一种手动控制开关,主要用于交直流电源电路的通断控制, 但一般也能用于几千赫或高达1 兆赫的电路中。具有体积小,操作方便等特点,是电子设备中常用的开关。

颖鑫电子厂家的钮子开关批发价格:0.5~2元/个

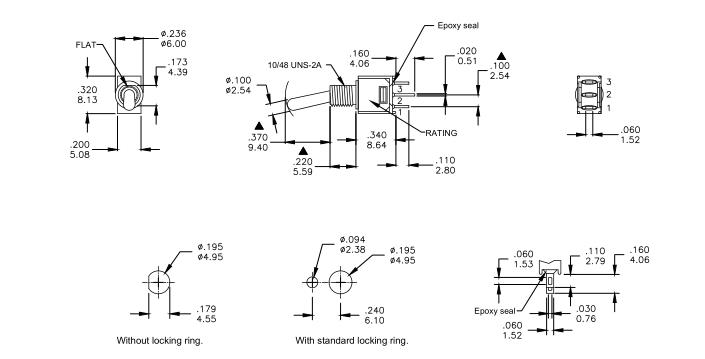
钮子开关工作温度:-30℃ to 85℃;
额定电压电流:120VAC 5A/250VAC 2A;
机械寿命:40000次
接触电阻:10 mΩ max.initial @ 2-4VDC 100mA
绝缘电阻:1,000mΩ MIN
绝缘强度:1,000Vrms min@sea level

钮子开关操作位置有二位和三位两种。 三位开关又可有某一边位置不定位等。 同时, 其连接电路种类也较多。 钮子开关的钮柄种类繁多, 如金属圆锥钮柄、 塑料圆锥钮柄、 荧光钮柄、 塑套钮柄、 球形钮柄、 扁杆钮柄、锁杆钮柄、 波形钮柄、 桨式钮柄等。 锁杆式钮柄适用于有危险的操作场合。 还有“提拔解锁” 式钮柄, 其上加有弹簧, 螺管口端有铣槽。 操作人员须先把钮柄提起, 而后推向另一位置, 以保证安全工作。
安装焊接条件:

用途:航模,通讯,家电类,电源及其他一些电子设备
钮子开关注意事项:
(1).首先应根据使用条件和功能来选择合适 类型的开关及接插件.
(2).开关,接插件的额定电压,电流要留有一定的余量
(3).为了接触可靠,开关的触点和接插件的线数要留有一定的余量,以便并联使用或备用. 线数要留有一定的余量,以便并联使用或备用.
(4).尽量选用带定位的接插件,以免插错而造成故障. 成故障.
(5).触点的接线和焊接可靠,为防止断线和短 路,焊接处应加套管保护.
纽子开关的引脚有很多种,可以根据客户焊接主板的要求进行定制,大多是2脚或者4脚的比较多。纽子开关的系列也很多,主要是从功能上进行分类型号,同时也可以以钮柄区别,有塑料圆锥、金属圆锥(常见款式)、单刀双刀、波形等等。企业在生产按钮等电子元器件的时候,同时还会对采用防水等级的产品进行测试,对于特殊按钮或者插座部分,也为客户提供了拿样的服务。本公司不仅服务于深圳高新品牌企业,同时也为其他地区提供各种货源供选择和技术支持,质量保障。
钮子开关市面常见的类型:
(1)高泛用型;

此系列小型钮子开关有多种型号和许用电流可供选择,可选1至4刀开关型号,可选用专门用来正面板安装用的螺纹式套筒和PC板安装用的平套筒,引脚方面则有焊接式引脚和PC引脚三种引脚用来面对不同的安装环境。
(2)高可靠性小型套筒直径 11.9mm;

双层外壳结构和带销钉转轴的扭柄,使其可以承受巨大的外力冲击而不受损,同时保证可靠的 IP67 等级密封。可选镀金银镍合金铆钉触点,以保证开关同时具有超长寿命和稳定的大负载通过能力。
(3)微型可洗平滑套筒;

此系列开关用于PC板安装,并有单刀和双刀型号可供选择,可用镀金和银两种触点,可靠性能超群。并且具有优秀的防水性能,可以支持直接水洗。
(4)表面安装方式可洗;

此系列产品采用单刀设计,搭载ESD静电保护,并且提供卷带包装,开关采用耐高温塑料壳体,支持回流焊技术,方便SMT技术的应用。另外还可选择是否配备定位针脚,使得开关可以更加牢固的固定在PC板上。
(5)经济型工业级金属扭柄
;
此系列是只提供单刀型号的钮子开关,有焊接式引脚,螺丝引脚和快插式引脚可供用户选择。引脚材料则有银币合金或者银镀铜引脚两种。同时可以提供绝缘型扭柄(X213 和 X490)。最高可承受2到6A载流。
(6)高性能小型 - 套筒直径6.35~ 11.9mm;

套筒直径6.35mm:此系列钮子开关专为国防,通讯和其他专业应用设计,已列入 MUAHAG 和 QPL 军用零部件采购列表 (欧洲区域),可选1至4刀型号,提供多种触点材料如纯银、镀金、银镀金和纯金铆钉触点,使得开关在低电流环境下的可靠性和稳定性更强。还有多种正面板密封样式可供选择。可选亮铬和镀黑铬表面处理。

套筒直径10mm:套筒直径采用10mm,可选单刀或双刀型号,还有双状态或三状态不同的开关型号可供客户选择,同时可选用镀银或镀金触点,使得开关的寿命以及可靠性大大增强,许用电流最高可达3安培。

套筒直径11.9mm:该系列产品提供1至4刀型号可供客户选择。并且可选用纯银、镀金、银镀金和纯金铆钉触点,大大增强了在弱电流环境下的可靠性和使用寿命,还有多种正面板密封样式可供选择。密封性能十分优秀,开关扭柄和套筒也可选亮铬,灰铬和镀黑铬表面处理。
(7)低高度;

此系列为低高度的小型钮子开关,专为有面板高度要求的客户设计,有单刀或双刀两种型号可供选择,可采用螺纹或光滑套筒,镀金或镀银引脚,达到波峰焊的工艺需求,可选择银或镀金触点,此系列单刀和双刀型号采用相同的壳体高度。
(8)小型VDE标准;

此系列小型VDE标准钮子开关可选单刀和双刀开关型号,同时有焊接式引脚,垂直或右倒角插针式引脚可供选择以迎合各种不同环境下的安装需求。采用绝缘型扭柄和镀银触点,可靠性和安全性都十分优秀。
(9)可水洗小型(绝缘螺纹套筒);

此系列钮子开关用于面板安装,只提供单刀型号,可选择焊接式引脚和PC引脚,同时有镀金和银触点可供选择,具有优秀的防水性能可以支持直接水洗。
(10)工业级-绝缘扭柄及套筒、金属扭柄、绝缘扭柄;

此系列只提供单刀型号,通过UL认证。并且有多种扭柄样式和颜色可供用户选择,提供焊接引脚,螺丝引脚和快插式引脚三种引脚,还有双位置或三位置开关型号可供选择。

此系列只提供单刀型号,并且有多种扭柄样式和颜色可供用户选择,提供焊接引脚,螺丝引脚和快插式引脚三种引脚,还有双位置或三位置开关型号可供选择。
(11)工业级高性能全密封;
专为室外应用设计的高性能钮子开关。套筒处一体化灌铸的硅胶密封膜使开关面板正面密封等级高达 IP67 及 IP69K,同时所有接线引脚均嵌铸于壳体内,使开关引脚处密封等级也能达到 IP64 。该系列产品可选单刀或双刀电路,有焊接脚、螺丝引脚及快插式引脚多种引脚形式可供选择。
(12)工业级高性能全密封;
有单刀或双刀两种型号可供选择,并且提供多种不同电器功能的双位置和三位置型号开关型号,引脚方面则有焊接引脚,螺丝引脚以及快插式引脚,以适应不同的安装方案。另外每个开关都采用了O型圈,并且开关引脚都嵌铸于壳体内,从而达到更优秀的防水性能。本系列产品的最大载流高达12A,可以安全放心的用于各种大电流电源设备。
(13)军用工业;
此系列产品有1至4刀电路型号可供选择,并且提供焊接引脚,螺丝引脚和快插式引脚三种引脚。同时采用银触点,使得开关可靠性更高。套筒和扭柄则可选用镀黑铬表面处理以避免反光,开关具有优秀的密封性能。还可选择配备锁定式扭柄型号,以及橡胶接线保护盖,最高可承受7A的电阻型负载。
(14)工业级大电流绝缘扭柄;
提供单刀、双刀和三刀多种型号可供选择,有焊接引脚,螺丝引脚和快插式引脚三种不同引脚可供客户选择。触点和引脚之间采用电阻焊技术相互联结,使得开关内部机械结构更加坚固,大大提高了开关的使用寿命和稳定性。本系列产品最高可以通过15A电流,可以放心应用于各种高电流电源设备。
(15)4刀工业级金属扭柄;
此系列工业钮子开关有双位置或三位置可供选择,还提供各种常开常闭或自复位型号。开关的载流通常可达5到10A。引脚方面则有焊接引脚,螺丝和快插式引脚可供用户选择。
(16)超小型可水洗;
此系列为超小型的钮子开关,可选单刀或是双刀电路,触点则有镀金或镀银材料可供选择,并且采用环氧树对开关引脚处进行密封处理,使用密封环将扭柄和套筒之间进行密封。以及一体化的壳体结构来取得极其优秀的密封性能。
(17)超小型钮子开关--金属套筒;
此系列开关是采用4.83mm 螺纹套筒直径的超小开关,有单刀或双刀两种电路型号可供选择,有镀金或镀银引脚可供选择。引脚方面则有焊接引脚或PC板引脚两种引脚可选。
(18)工业级高性能全密封钮子开关
专为室外应用设计的高性能钮子开关。套筒处一体化灌铸的硅胶密封膜使开关面板正面密封等级高达 IP67 及 IP69K,同时所有接线引脚均嵌铸于壳体内,使开关引脚处密封等级也能达到 IP64 。该系列产品可选单刀或双刀电路,有焊接脚、螺丝引脚及快插式引脚多种引脚形式可供选择。
上一篇:电位器符号
下一篇:高端月饼盒按压自锁开关
相关推荐