手机:13827297626
电话:13827297626
邮箱:435281082@qq.com
地址:广东省东莞市樟木头镇圩镇荔苑路7号星耀国际
发布时间:2020-05-11 点此:2823次
常规的轻触开关的高度都是固定的,除了用户有特殊需求进行定制,颖鑫电子建议客户在设计产品的时候,可以选择通用型号的轻触开关 ,因为另外设计的非常规尺寸高度可能重新机器开模定制。

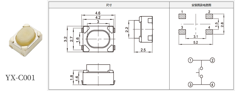
2*3和2*4轻触开关,也被称为小贝贝四脚贴片型轻触开关。他的高度一般为3.0和3.5mm。

3*3轻触开关这个尺寸范围内的主要高度有两个,尺寸高度0.8和1.5,主要外观集中在贴片轻触开关,基本都是机器全自动化生产,密闭性极好,可替代进口的轻触开关。

3*4轻触开关尺寸高度主要有1.8、2.5和3.0三种,多用于类似蓝牙耳机或者智能音箱上面。

3*6轻触开关尺寸高度主要有:0.8、3.5、3.8三种,有两脚侧按和四脚侧按,多用于小玩具小电器上面的功能按键。

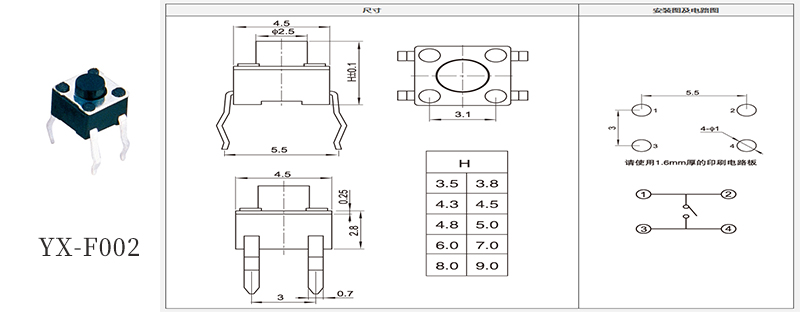
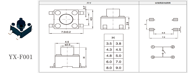
4*4轻触开关尺寸高度主要有:1.5、1.7、2.0、2.3、2.5、3.0、3.5、3.7、4.3、6八种高度贴片轻触开关,4*4系列的用途最为广泛,有用在体温检测器和各种电子器材的按键开关上面。
4.5*4.5分为插件、贴片和边三角三种轻触按键开关:

插件4.5*4.5轻触开关尺寸高度主要有:3.8和5两种,一般是四脚插件轻触开关。
贴片4.5*4.5轻触开关尺寸高度主要有:3.2、3.8、4.0、4.5、4.8、5.0、5.5、6.0、7.0九种高度贴片轻触开关,此款开关多用于各种便携电子仪器的开关按钮,一般只有四脚,也称为四脚贴片开关。
4.5*4.5边三角轻触开关尺寸高度主要有:3.8、4.3、4.8、5.0、5.5、7.0、8.0其中高度边三角轻触开关按键,也称为边三角轻触开关。
6*6分为贴片和插件两种轻触开关按键:

6*6贴片轻触开关尺寸高度主要有:4.3、4.5、5、5.5、6、7、8、9.5、10、12、13十一种高度贴片按键开关,主要是四脚按键。

6*6插件轻触开关尺寸高度主要有:4.5、5.5、6.5、7、8、9、10、11、12、13、14、15、16、17、18、19十八种高度插件轻触按键开关,一般只有四脚插件。
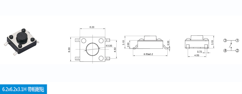
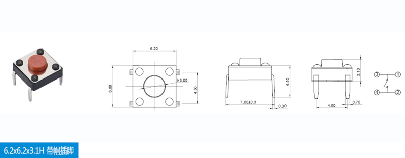
6.2*6.2轻触开关分为贴片和插件两种:

6.2*6.2贴片轻触开关尺寸高度主要有:2.5、2.7、3.1、3.7、5.1五种四脚贴片轻触按键开关,一般为四脚,特需有五脚贴片。

6.2*6.2插件轻触开关尺寸高度主要有:2.5、2.7、3.1三种四脚插件轻触开关按键,一般为四脚插件。

8*8规格轻触开关大多是防水款的,价格方面比较贵,高度在5.5居多,也有一些款式是定制的。

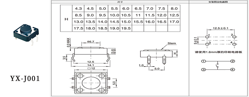
12*12的轻触开关高度有4.3/4.5/5.0/5.5/6.0/6.5/7.0/7.5/8.0/8.5/9.0/9.5/10/10.5/11/11.5/12/12.5/13/13.5/14/14.5/15/15.5/16/16.5/17/17.5/18/18.5/19/19.5等多种规格,此款轻触开关现在用在体温检测器上比较多。
如果需要更多的轻触开关资料,可以咨询在线客服。
下一篇:插脚轻触开关
相关推荐