手机:13827297626
电话:13827297626
邮箱:435281082@qq.com
地址:广东省东莞市樟木头镇圩镇荔苑路7号星耀国际
发布时间:2026-03-18 点此:9467次

外文名:Smiley five-pin touch switch
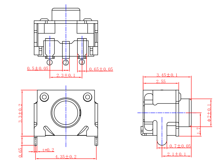
产品规格:3*5*3.5mm
物料号:YX-TS-C014
所属类别:电子元器件-轻触开关
研发生产:东莞市颖鑫电子科技有限公司
笑脸五脚轻触开关是一款微型化、高稳定性的单回路输出轻触开关,属于第四代轻触开关的精细化升级产品,专为弱电小电流控制场景设计,因外观结构特征被命名为“笑脸开关”,五脚结构为其核心设计特点。
该开关采用金属弹片受力变形实现电路通断,具备接触电阻低、触觉反馈清晰、动作力双档可选、环境适应性强等特性,操作时施加规定操作力即可使开关闭合,撤销压力后瞬间断开,无自锁功能。其3*5*3.5mm的微型尺寸适配电子设备小型化、集成化的发展趋势,五脚结构中四个引脚为两组导通触点,第五个引脚起接地与固定作用,相比常规三脚开关,机械安装稳定性与电气安全性更优。
笑脸五脚轻触开关在原材料选型、工艺处理上做了精细化设计,核心导电部件均采用镀银工艺,弹片选用不锈钢覆银材质,有效降低接触电阻并提升抗疲劳性,10万次无负载寿命可匹配中高端电子设备3-5年的使用周期,是消费电子、智能家居、小型仪器仪表等领域的核心控制配件。
笑脸五脚轻触开关的核心结构由盖板、按钮、簧片、基座、卡件五大部件组成,无防水涂层设计,属于常规型轻触开关,各部件的材质、工艺与功能高度适配,从源头保证开关的电气与机械性能,具体参数如下:
| 部件序号 | 部件名称 | 材质 | 厚度 | 工艺处理 | 核心功能 |
|---|---|---|---|---|---|
| E | 盖板 | 黄铜 | 0.2mm | 镀银 | 保护内部结构,提升导电性能,防止触点氧化 |
| D | 按钮 | LCP(液晶聚合物) | - | - | 耐高温、高硬度,传递按压力度,保证按压结构稳定 |
| C | 簧片 | 不锈钢覆银 | - | - | 核心通断部件,提供弹性触觉反馈,抗疲劳、低接触电阻 |
| B | 基座 | LCP(液晶聚合物) | - | 清洗 | 绝缘性好、耐高温,固定各部件位置,隔离导电端子 |
| A | 卡件 | 磷铜 | 0.15mm | 镀银 | 固定簧片位置,镀银提升导电性能与抗氧化性 |
结构特点:

1. 单回路输出(1 pole,1 throw),电路通断逻辑简单,接线便捷;
2. 五脚直插式设计,机械稳定性强,可有效防止设备震动、频繁按压导致的开关松动;
3. 无防水、防尘密封结构,适用于干燥、无粉尘的使用环境;
4. 超短行程设计,按压响应灵敏,配合金属弹片实现清晰的“滴答”式触觉反馈。
笑脸五脚轻触开关的参数体系遵循轻触开关行业通用标准,同时根据自身微型化、五脚结构的特点做了针对性优化,分为电气性能、机械性能、环境适应性能三大核心模块,所有参数均经过标准化测试验证,为产品选型与电路设计提供精准依据。

适用于DC12V 50mA的弱电小电流场景,核心指标为低接触电阻、高绝缘电阻,有效保证电路传输的稳定性与安全性,具体参数:
| 参数名称 | 测试条件 | 额定值 |
|---|---|---|
| 接触电阻 | 1kHz、50mA、20mV小电流电压下 | ≤100mΩ |
| 绝缘电阻 | DC250V,端子间/端子与壳间,持续1分钟 | ≥100MΩ |
| 耐电压 | AC250V(50/60Hz)、感应电流1mA,持续1分钟 | 无击穿现象 |
| 额定工作值 | 直流电阻负载 | DC12V 50mA |
主打有触觉反应的操作,动作力双档设计适配不同操作场景,超短行程提升响应灵敏度,同时具备较强的端子抗变形能力,具体参数:
| 参数名称 | 技术指标 | 测试/说明 |
|---|---|---|
| 动作力 | 160±50gf;260±50gf(双档) | 轻档适用于轻触操作,重档适用于防误触操作 |
| 行程 | 0.15±0.05mm | 施加2倍动作力,开关停止时的移动距离 |
| 手感值 | 30%-70% | (按力-回弹力)/按力×100%,保证触觉反馈清晰 |
| 端子静负荷 | 300g静负荷,单方向持续1分钟 | 无机械、电气性能损坏 |
可耐受宽温、温湿度交变、轻微盐雾腐蚀等环境,适配室内多种使用场景,高低温试验后性能无衰减,具体参数:
| 环境类型 | 测试条件 | 恢复条件 | 性能要求 |
|---|---|---|---|
| 耐热 | 80±2℃,持续96小时 | 常温放置30分钟 | 电气、机械性能无异常 |
| 耐冷 | -40±2℃,持续96小时 | 常温放置30分钟 | 电气、机械性能无异常 |
| 耐湿 | 60±2℃、90~95%RH,持续96小时 | 常温放置30分钟 | 电气、机械性能无异常 |
| 温度交变 | -40℃至85℃,各保温2小时,循环5次 | 常温放置1小时 | 接触电阻≤200mΩ,绝缘电阻≥100MΩ |
| 盐雾 | 35±2℃、5±1%盐浓度,24小时(8h喷雾+1h停,循环3次) | 自然恢复 | 无氧化、腐蚀,电气性能达标 |
| 测试项目 | 测试条件 | 核心要求 |
|---|---|---|
| 寿命测试 | 无负载、100-120次/分钟,操作10万次 | 接触电阻≤200mΩ,动作力变化≤初始值30% |
| 可焊性试验 | 端子浸入锡池0.5mm、260±5℃,持续3秒 | 浸入部分95%以上被锡覆盖 |
| 耐焊性试验 | 波峰焊:260±5℃、3±0.5秒;手工焊:350±5℃、3±0.5秒 | 本体无变形,电气、机械性能正常 |

笑脸五脚轻触开关的性能测试严格遵循电子元器件行业标准,覆盖电气、机械、焊接、环境耐久性四大维度,所有测试项目均有明确的测试条件与判定标准,未达标产品判定为不合格,禁止出厂。测试后若为非破坏性测试,产品需保持正常使用性能;若为破坏性测试,需记录极限性能参数。
1. 接触电阻:采用接触电阻仪,在1kHz小电流电压(50mA、20mV)下测量,多次测量取平均值,需≤100mΩ;
2. 绝缘电阻:使用绝缘电阻测试仪,在端子之间、端子与外壳之间施加DC250V电压,持续1分钟,测量绝缘电阻值,需≥100MΩ;
3. 耐电压:施加AC250V(50/60Hz)电压,感应电流控制在1mA,持续1分钟,观察是否出现击穿、漏电现象,无击穿为合格。
1. 动作力与行程:采用推拉力计垂直按压开关中心,记录开关闭合时的力值与移动距离,需符合双档动作力与行程公差要求;
2. 手感值:通过推拉力计分别测量按力与回弹力,计算差值占按力的百分比,需在30%-70%区间;
3. 端子静负荷:在端子顶部单方向施加300g静负荷,持续1分钟,卸载后检查端子是否变形、接触是否良好,无异常为合格。
1. 可焊性:将开关端子垂直浸入锡池0.5mm,锡池温度260±5℃,保持3秒后取出,冷却后观察端子上锡情况,上锡面积≥95%为合格;
2. 耐焊性:分波峰焊与手工焊两种方式,波峰焊匹配1.6mm厚PCB板,温度260±5℃,时间3±0.5秒;手工焊使用电烙铁,温度350±5℃,时间3±0.5秒,禁止在端子上施加异常压力,焊接后检查开关本体是否变形,测试电气、机械性能,无异常为合格。
1. 温湿度试验:将开关放入恒温恒湿箱,分别按耐热、耐冷、耐湿条件设置参数,达到测试时间后取出,常温恢复规定时间,测试电气、机械性能;
2. 温度交变试验:在恒温恒湿箱中实现-40℃至85℃的温度切换,各保温2小时,完成5次循环后取出,常温恢复1小时,检测接触电阻、绝缘电阻;
3. 盐雾试验:将开关放入盐雾试验箱,配置5±1%的氯化钠溶液,喷雾温度35±2℃,按8小时喷雾、1小时停止的循环方式,累计24小时后取出,自然晾干后检查外观与电气性能;
4. 寿命测试:采用机械装置无负载按压开关,按压速度100-120次/分钟,连续操作10万次后,测试接触电阻与动作力,符合公差要求为合格。
笑脸五脚轻触开关因微型尺寸、双档动作力、低损耗、高稳定性的特性,主要应用于DC12V 50mA以内的弱电小电流控制场景,适配各类小型化、集成化电子设备,覆盖消费电子、智能家居、小型仪器仪表、车载便携设备四大领域,具体应用场景如下:
1. 消费电子:蓝牙耳机、小型蓝牙音箱、运动手环、便携式充电宝、录音笔、小型数码播放器等设备的按键控制,选用160±50gf轻动作力版本,提升轻触操作体验;
2. 智能家居:智能触控面板、智能插座、小型传感器、智能灯具、电子窗帘控制器等设备的按键控制,选用260±50gf重动作力版本,实现防误触功能;
3. 小型仪器仪表:实验室小型检测仪、工业便携仪表、医疗小型诊断设备(如电子体温计、血压计)、验钞笔、激光笔等的信号控制回路,利用低接触电阻保证信号传输准确性;
4. 车载便携设备:车载蓝牙、车载充电器、车内小型氛围灯、汽车防盗遥控器等的按键控制,依托宽温适应能力(-40℃至85℃)适配车载极端环境;
5. 玩具与小型健身器材:电子玩具、小型按摩仪、便携计步器等的按键控制,利用10万次寿命匹配高频次使用需求。
禁用场景:
- 强电场景(如220V市电直接控制);
- 大电流负载场景(超过50mA);
- 潮湿、多粉尘、强腐蚀的户外环境;
- 机械检测、连续通断的工业控制场景。
笑脸五脚轻触开关为精密电子元器件,其使用与安装工艺直接影响使用寿命与性能稳定性,需严格遵循以下注意事项,避免因操作不当导致开关损坏、性能劣化:
- 焊接时禁止在端子上施加负荷,防止端子松动、变形;
- 仅可采用波峰焊或手工焊,严格遵循焊接温度与时间要求,手工焊禁止用力按压电烙铁;
- 若需二次焊接,需待第一次焊接部位恢复常温后进行,避免连续加热导致开关本体变形;
- 焊接前需确认PCB板安装孔尺寸与开关引脚匹配,参考产品规格书推荐尺寸。
- 开关为人工操作设计,禁止用于机械性检测、连续通断的自动化控制;
- 按压时需垂直按压开关中心部位,避免侧面按压,防止按钮、簧片变形;
- 禁止施加超过2倍动作力的负荷,防止金属弹片永久变形,导致开关失效;
- 安装后若设备需经过蓄热硬化炉(如粘结剂固化),需提前确认炉温与时间,避免高温损坏开关。
- 禁止在潮湿、多粉尘、有腐蚀性气体的环境中使用,防止触点氧化、接触不良;
- 开关以直流电阻负载为设计前提,禁止用于感应性负载、电容性负载场景,如需使用需提前做性能验证;
- 避免将开关安装在设备震动剧烈的部位,若无法避免,需增加固定结构,防止开关松动。
- 储存环境需保持干燥、通风,温度控制在-20℃至40℃,相对湿度<85%,避免阳光直射、雨淋;
- 运输过程中做好防震、防压保护,避免开关受到剧烈撞击、挤压,导致内部部件移位;
- 开关开封后需尽快使用,避免长期暴露在空气中导致触点镀银层氧化。
笑脸五脚轻触开关的品质优劣主要由原材料、工艺处理、组装精度、出厂检测四大因素决定,挑选时需从外观、手感、性能检测三个维度进行鉴别,同时优先选择正规厂家生产的产品,确保产品符合规格书参数要求。
1. 观察引脚:引脚为黄铜/磷铜镀银材质,表面应光滑、无氧化、无露铜,引脚垂直度好,无弯曲、变形;
2. 检查本体:开关基座、按钮为LCP材质,表面无毛刺、裂纹、色差,盖板与基座扣合紧密,无松动、缝隙;
3. 查看标识:产品表面应清晰标注规格型号、物料号,无模糊、脱落现象,包装上有厂家名称、生产日期、检验合格标识。
1. 按压手感:垂直按压开关,应感受到清晰的触觉反馈(“滴答”声),无卡滞、虚按现象,按压过程顺畅;
2. 动作力一致性:同批次开关的动作力应保持一致,无明显轻重差异,轻档/重档开关的按力符合公差要求;
3. 回弹力:松开按压后,按钮应快速复位,无回弹缓慢、卡滞现象,复位后开关处于断开状态。
1. 通断检测:使用万用表通断档,连接开关的导通引脚,按压开关时万用表应发出蜂鸣声,松开后蜂鸣声停止,无接触不良、常通/常断现象;
2. 接触电阻检测:若有条件,使用接触电阻仪测量接触电阻,应≤100mΩ,多次按压测量,数值无明显波动;
3. 端子牢固性:用手轻轻拉动引脚,引脚应无松动、脱落,与基座连接紧密。
1. 优先选择温州瀚精电子、东莞市颖鑫电子原厂生产的产品,避免购买三无产品;
2. 要求厂家提供产品规格书、检测报告,确认产品参数与实际需求匹配;
3. 同批次产品需进行抽样检测,检测合格率需达到100%,避免批次性质量问题。
笑脸五脚轻触开关作为3*5*3.5mm的微型轻触开关,与常规三脚轻触开关、大尺寸轻触开关相比,在结构、性能、应用场景上有明显差异,具体对比如下:
| 对比项目 | 笑脸五脚轻触开关 | 常规三脚轻触开关 | 大尺寸轻触开关(如6*6*4.3mm) |
|---|---|---|---|
| 结构设计 | 五脚直插,单回路,接地引脚+固定结构 | 三脚直插,单回路,无接地引脚 | 三脚/四脚,单回路,部分带防水结构 |
| 尺寸规格 | 3*5*3.5mm,微型化 | 多为4.5*4.5mm及以上 | 6*6mm及以上,体积较大 |
| 动作力 | 双档(160±50gf/260±50gf) | 单档(多为180gf/250gf) | 单档/双档,动作力偏大(多为250gf以上) |
| 行程 | 0.15±0.05mm,超短行程 | 0.25±0.05mm,常规行程 | 0.3-0.5mm,行程较长 |
| 机械稳定性 | 五脚结构,稳定性强,抗震动 | 三脚结构,稳定性一般,易松动 | 体积大,稳定性强,部分带固定结构 |
| 应用场景 | 微型便携电子设备,弱电轻触/防误触控制 | 常规电子设备,通用弱电控制 | 大型家电、工业仪器,高频次、大按力操作 |
| 价格 | 中高端,工艺精细化,价格略高 | 经济型,工艺简单,价格低廉 | 中高端,部分带防水,价格较高 |
相关推荐