手机:13827297626
电话:13827297626
邮箱:435281082@qq.com
地址:广东省东莞市樟木头镇圩镇荔苑路7号星耀国际
发布时间:2024-07-03 点此:2248次
在现代电子设备的普及之下,开关作为基本的控制元件,其种类和形式多种多样,轻触按键四脚开关因其优越的实用性和稳定性,被广泛应用于手机、电脑、家电等各类设备中,本文将详细介绍轻触按键四脚开关的原理,让读者了解其工作原理及内在机制。

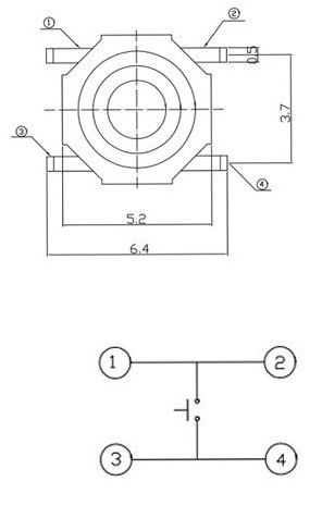
轻触按键四脚开关是一种电子开关,具有四个接触点,通常由按键和底座两部分组成,按键部分通常是一个塑料或者金属的小按钮,底座部分则包含电路接触片和其它电子元件,这种开关通过按键的按下与松开,实现电路的开闭状态切换。
轻触按键四脚开关的工作原理主要基于电路接触片的接触与分离,在开关未按下时,电路处于断开状态;当按键被按下时,电路接触片发生位移,使原本不接触的两极接触,电路闭合,电流得以通过,具体过程如下:
1、初始状态:在没有任何外力作用时,开关内部的电路接触片处于初始位置,此时电路处于断开状态。
2、按键按下:当按键被按下时,按键底部的接触点与开关底座上的接触片产生接触,由于按键的设计,这种接触会促使电路接触片发生位移,使原本不接触的两极接触。
3、电路闭合:随着按键的进一步下压,电路接触片完成位移,电路闭合,电流得以通过,设备开始工作。
4、按键松开:当按键松开时,电路接触片恢复到原始位置,电路断开,设备停止工作。

1、轻巧便捷:轻触按键四脚开关的按键轻巧,操作方便,触感良好。
2、稳定性高:由于采用四脚设计,开关的接触点更多,稳定性更高,使用寿命更长。
3、应用广泛:由于其结构简单、性能稳定,轻触按键四脚开关被广泛应用于各类电子设备中。
轻触按键四脚开关在手机、电脑、家电等电子设备中都有广泛应用,手机键盘上的按键、电脑主机箱上的电源开关、家电设备上的控制按钮等,这些应用场景都离不开轻触按键四脚开关的实现。
1、使用时避免过度力压:虽然轻触按键四脚开关具有轻巧便捷的特点,但在使用时仍需避免过度力压,以免损坏内部电路接触片。
2、防止潮湿环境:潮湿环境可能导致开关内部元件生锈或短路,应尽量避免在潮湿环境下使用轻触按键四脚开关。
3、定期检查维护:为了保持轻触按键四脚开关的正常工作,应定期检查开关的状态,如有异常应及时处理。