手机:13827297626
电话:13827297626
邮箱:435281082@qq.com
地址:广东省东莞市樟木头镇圩镇荔苑路7号星耀国际
发布时间:2024-06-22 点此:3632次
轻触开关的克力大小与它的长宽高没有直接关系。克力是指按压轻触开关需要的力度,即轻触开关启动的最小按压力度。而长宽高则描述的是开关的尺寸大小。
轻触开关的克力大小(即驱动力或操作力)与其长宽高(尺寸)之间的关系并不是直接的线性关系。

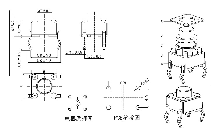
1、尺寸与结构:
轻触开关的长宽高尺寸主要决定了其外部的物理尺寸和可能的安装布局。
不同的尺寸可能会影响到开关内部的结构设计,如簧片、按钮、基座等部件的布局和尺寸。
2、克力大小与内部结构:
轻触开关的克力大小主要由其内部的簧片设计和材质决定。簧片的形状、厚度、材质等都会影响到驱动力的大小。
通常,轻触开关的克力大小有几个标准规格,如100gf、160gf、250gf等,这些规格与开关的尺寸并没有直接的对应关系。
3、尺寸与用途:
不同的应用场景可能需要不同尺寸的轻触开关。例如,在一些空间受限的场合,可能需要使用尺寸较小的轻触开关。
轻触开关的克力大小取决于内部弹片的特性,而其尺寸大小会影响开关的结构设计和应用场景,但不会直接决定或影响克力大小。在设计和选择轻触开关时,需要根据实际应用需求来综合考虑克力大小和尺寸大小等因素。
相关推荐