手机:13827297626
电话:13827297626
邮箱:435281082@qq.com
地址:广东省东莞市樟木头镇圩镇荔苑路7号星耀国际
发布时间:2024-05-06 点此:1308次
在日常生活和工作中,开关作为控制电路通断的重要组件,其使用频率极高。传统的机械式开关在操作时往往伴随着“咔哒”声,这种声音在需要安静环境的场合显得尤为突兀。因此,无声轻触开关应运而生,它不仅能够提供安静的操作环境,还能提升整体的使用体验。
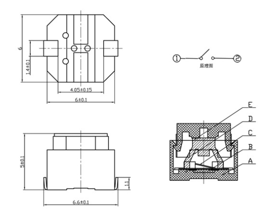
我们需要了解无声轻触开关的基本构造和工作原理。无声轻触开关通常是由普通的轻触开关改造优化而来,通常的轻触开关是弹片直按直回弹的工作原理,无声开关则多了一个缓冲静音结构在里面,从而让按压的时候,不会有很大的回响,达到"静音无声"的效果。

接下来,我们来探讨选择无声轻触开关时应考虑的几个关键因素:
1. 材质与耐用性:优质的无声轻触开关通常采用耐磨损、抗腐蚀的材料制造,如合金或高级塑料。这些材料能够确保开关长期使用后仍能保持良好的触感和性能。在选择时,应仔细查看产品说明,了解其材料构成。
2. 灵敏度与准确性:一个好的无声轻触开关应该具备高灵敏度和准确性,即轻轻一触即可快速响应。这要求开关的感应元件必须精确且质量上乘。可以通过实际按压样品来测试其反应速度和稳定性。
3. 负载容量:不同的无声轻触开关设计有不同的电流和电压承受能力。在选择时,应根据所需控制的电器或灯具的功率来选择合适的负载容量,避免因超负荷使用导致开关损坏。
4. 安装尺寸与兼容性:开关的尺寸应与安装面板相匹配,同时要考虑到与其他设备的兼容性。在购买前,最好先测量好安装位置的尺寸,确保新购买的无声轻触开关能够完美适配。
5. 品牌与售后服务:选择知名品牌的产品通常能得到更可靠的质量保证和完善的售后服务。在购买时,不妨查看用户评价和品牌口碑,选择一个信誉良好的品牌。
6. 外观设计:虽然外观不影响开关的性能,但一个与室内装修风格相匹配的开关能够提升整体美感。可以选择颜色、形状和设计风格与室内装潢协调的无声轻触开关。

7. 价格因素:在满足以上所有功能和质量要求的前提下,价格也是一个重要的考虑因素。合理比较不同产品的价格,选择性价比高的无声轻触开关。
通过以上几点的详细描述,我们可以看到,选择无声轻触开关并非一件简单的事情,它涉及到多个方面的考量。从材质的耐用性到开关的灵敏度,从负载容量到安装尺寸,再到品牌信誉和外观设计,每一个细节都不容忽视。只有综合考虑这些因素,才能选购到既满足功能需求又符合个人审美的无声轻触开关。
无声轻触开关以其独特的优势逐渐成为现代家居和办公环境中的宠儿。在选择时,我们应该从实用出发,结合个人喜好和环境需求,进行全面的比较和考量。只有这样,我们才能在众多选项中找到那个最适合自己,能够提升生活品质的无声轻触开关。
上一篇:应对轻触开关失灵
下一篇:mini轻触开关的应用