手机:13827297626
电话:13827297626
邮箱:435281082@qq.com
地址:广东省东莞市樟木头镇圩镇荔苑路7号星耀国际
发布时间:2024-01-05 点此:1891次
获取轻触开关的接线方式和原理电路图
轻触开关是一种常见的电子元件,通常用于控制电路的通断。它的主要特点是操作简便、体积小巧、寿命长。轻触开关的接线方式和原理电路图如下:
接线方式:
1. 单极单通(SPST):这是最常见的轻触开关类型,只有一个输入和一个输出。当按下开关时,输出与输入接通;松开时,输出与输入断开。
2. 单极双通(SPDT):这种开关有两个输入和一个输出。当按下开关时,一个输入与输出接通,另一个输入与输出断开;松开时,两个输入都与输出断开。
3. 双极双通(DPDT):这种开关有两个输入和两个输出。当按下开关时,一个输入与一个输出接通,另一个输入与另一个输出断开;松开时,两个输入都与输出断开。
轻触开关电路安装图
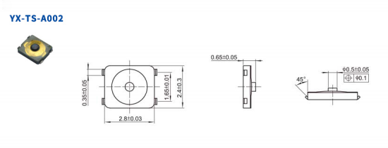
以TS-A002为例

此款轻触开关为四脚,是常见的款式,接线方法是对角对脚接,及1号接通4号如下图电路图:

如果需要更多型号的轻触开关电路图可以咨询客服。
上一篇:如何选购合适的微动开关?
下一篇:如何挑选具备良好手感的轻触开关