手机:13827297626
电话:13827297626
邮箱:435281082@qq.com
地址:广东省东莞市樟木头镇圩镇荔苑路7号星耀国际
发布时间:2023-12-14 点此:2823次
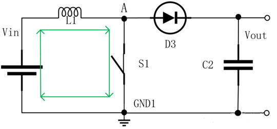
升压电路是一种电力电子电路,可以将直流电从一个电压转换为另一个电压。升压电路的工作原理是通过控制开关管的导通和截止时间,使电感储存能量并将其释放到输出端,从而将输入电压升高到所需的输出电压。
Boost升压电路是其中一种常见的升压电路,它主要由控制IC、功率电感和mosfet基本元件组成。

升压电路的计算公式涉及到电感、电容、输入电压、输出电压等参数。具体的计算公式可能因电路类型和设计要求而有所不同,但基本的工作原理都是通过控制开关管的导通和截止时间,使电感储存能量并将其释放到输出端,从而将输入电压升高到所需的输出电压。
例如,Boost升压电路中的一种基本计算公式为:Vout = Vin * (1 - D),其中D是占空比,即开关管导通时间与周期之比。此公式描述了输出电压如何随输入电压和占空比变化的关系。
然而,请注意,在实际应用中,设计升压电路时除了考虑这些基本公式外,还需要考虑元件的选型、电源稳定性、效率等因素。因此,为了获取准确的计算结果,可能需要更复杂的分析和计算方法。
升压电路效率
升压电路的效率是衡量其性能的重要指标之一,它定义为输出功率与输入功率之比。然而,不同类型的升压电路和元件的选择可能会对效率产生重大影响。
例如,对于稳压型直流升压电路,有一种电路可以将一节1.5V的电池升压至9V,用来取代9V叠层电池使用。这种电路在空载时的输入电流低于1.2mA,且转换效率高达60%。
另一方面,一般降压电路如TPS5450的效率较高,而升压电路的效率可能不如降压电路。比如某些升压电路,即使输入3V到5V,输出十几V,效率也可能并不高。
升压电路占空比
升压电路中的占空比是一个关键参数,它定义为开关管导通时间与周期之比。在Boost升压电路中,占空比的计算公式为D=(Vo-Vi)/Vo,其中Vo是输出电压,Vi是输入电压。
占空比的大小直接影响到电路的输出电压和效率。例如,当占空比增加时,输出电压也会随之增加。但是,如果占空比过大,可能会导致电路工作在不连续导通模式(DCM)下,从而影响电路的稳定性和效率。
在实际应用中,为了提高电路的效率和稳定性,通常会限制占空比在一个合适的范围内。例如,工程上常见的做法是将占空比限制在0.9以下。同时,通过优化电路设计和元件选型等方法,可以进一步降低电路的损耗,提高其工作效率。