手机:13827297626
电话:13827297626
邮箱:435281082@qq.com
地址:广东省东莞市樟木头镇圩镇荔苑路7号星耀国际
发布时间:2023-09-01 点此:4505次
DA-08侧插拨码开关厂家批发价格:1.4~1.8元/个;

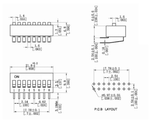
DA-08侧插拨码开关参数
额定负荷:切换电流是25mA,24V DC;不切换电流是100mA,24V DC;
绝缘电阻:最小500兆欧姆,at 500V DC;
接触电阻:初始值50毫欧姆;测试后100毫欧姆;
行程:2.0mm
操作力:200gf;
耐压:300V DC/min;
寿命:>3000次;
使用温度:-20℃~70℃;
储存温度:-40℃~85℃;
DA-08拨码开关结构
1、底座:PBT环保工程塑料,黑色;
2、上盖:PBT环保工程塑料,红色/蓝色/黑色;
3、推钮:PBT环保工程塑料,白色
4、端子:环保合金铜镀金

DA-08拨码开关电器性能
1. 电器寿命:在电压24VDC与电流25mA之下测试, 可来回拨动3000次。
2. 开关不经常切换额定电流: 100mA, 耐压SOVDC。
3. 开关经常切换额定电流: 25mA, 耐压24VDC。
4. 接触阻抗: 初始值最大50mΩ测试后最大值20mΩ 。
5. 绝缘阻抗: 最小100mΩ , 500VDC。
6. 耐压强度: 500VAC/1 分钟。
7. 极际电容: 最大5pF;
8.回路:单极点单选择;
拨码开关焊接和清洗过程
1. 在所有操作过程中, 请确保开关在"off"位置。
2. 波峰焊:推荐焊温度在260℃, 最多5秒钟。
3. 手焊:使用30瓦电烙铁控制温度在320℃, 焊接时间约2秒钟。
4. 清洗:清洗使用超声波方式, 能给予更好的效果;使用蒸气清洗时,
包装:产品皆以IC管形式包装,每管约121pcs。
相关推荐