手机:13827297626
电话:13827297626
邮箱:435281082@qq.com
地址:广东省东莞市樟木头镇圩镇荔苑路7号星耀国际
发布时间:2023-04-27 点此:1453次
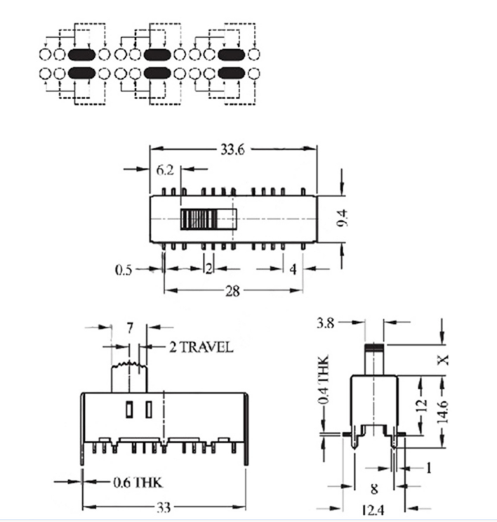
拨动开关6P3T是一种多功能开关,它对于电子产品来说是非常重要的一种元器件。在电路上起着开关、选择和复用的作用,使用多种不同功能的接口和全部10个插脚,可以连接不同的设备,因此这种开关被广泛应用于很多领域。下面我们将详细说明拨动开关6P3T的相关内容。

一、什么是拨动开关6P3T
拨动开关6P3T是一款非常普遍且常见的开关,其名称中的“6P3T”是指该开关具有6个接口、3个位置、以及一个触点,换句话说,6P3T开关呈现为一个有6个接口,三个位置的开关。如果在电路中选择正确,就可以实现多达三种功能。这种开关可以用于将单一的输入信号切换为三条不同的输出线路。
二、拨动开关6P3T的优势
拨动开关6P3T设计的独特性在于它可以控制三个单独的电路,可以实现很多设备和系统的控制。在选择这种开关时,要选择特定的型号和规格以满足电子系统的要求。在实际应用中,它可以控制设备的输出、输入、选择、转换、分配以及音箱的音频及其他功能。它还具有其它的优势,比如它很容易安装在设备上,使用方便,有着更高的耐用性和更长的寿命。
三、拨动开关6P3T的设计与工作原理
开关6P3T通常是由一个塑料外壳和三个独立的部分组成。每个部分分别带有两个输入线路。当手柄旋转到不同的位置时,开关的内部不同位置会切换,从而实现电路的切换。这种开关内部带有多个触点和相应的连接脚,可以连接很多的设备或线路。使用这种开关可以实现高度定制的电路板设计和无障碍的投入生产。因此它的应用范围非常广泛,例如可以使用它控制风扇的转速、切换输入音乐信号等。
四、如何正确的使用拨动开关6P3T
拨动开关6P3T的使用非常广泛,但是如果不正确地操作会造成短路甚至电器起火等危险,因此在使用它时一定要特别注意。首先需要按照正确的接线方式连接开关,确认每个接口的作用、位置和变化。在从一个接口切换到另一个接口时要非常小心, 确保所有连接的线路都处于关闭状态, 然后再慢慢切换到下一个接口。另外,在使用过程中,需要不断检测线路和开关的状态,确保电路板的准确性,确保电子设备的安全性。
总的来说,拨动开关6P3T是一种非常重要的开关元器件,通过使用它,可以实现多种电子设备和电路的控制。在使用它时,要遵循正确的使用和接线规则,确保电子设备的安全性和长久性。拨动开关6P3T的使用范围广泛,但需要注意正确的使用方式。
上一篇:电风扇轻触开关原理
下一篇:拨动开关6脚使用说明书