手机:13827297626
电话:13827297626
邮箱:435281082@qq.com
地址:广东省东莞市樟木头镇圩镇荔苑路7号星耀国际
发布时间:2023-04-17 点此:1955次
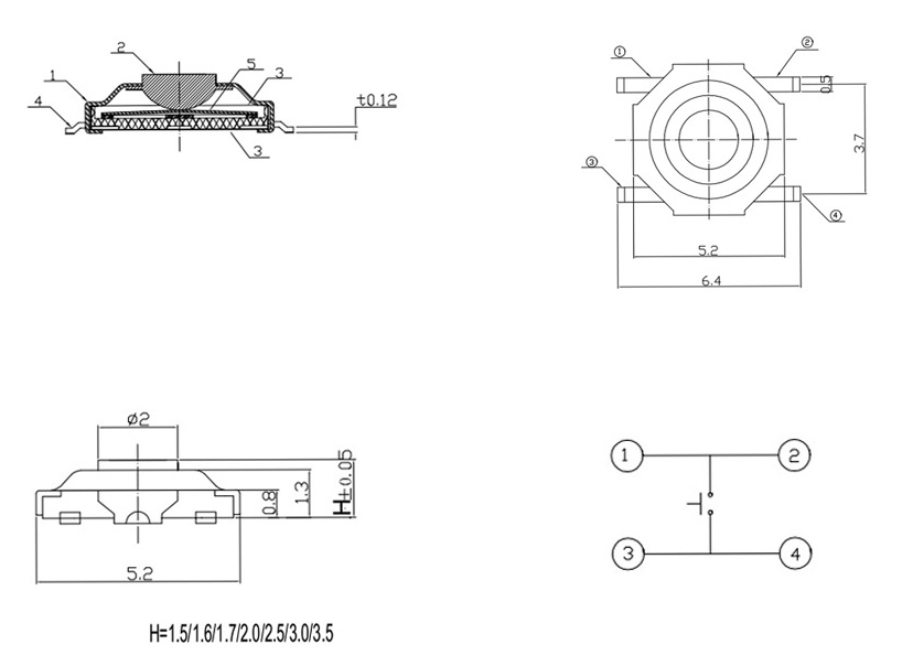
轻触开关引脚功能及特点
轻触开关是一种应用广泛的电子元件,其使用场景包括电池供电的手持设备、控制面板以及指示灯和电路板等细微应用。
在轻触开关的引脚中,每个引脚承担着不同的功能,以下我们将深入探讨轻触开关引脚的功能及特点。

1. 引脚1:电源
轻触开关的引脚一为电源接口,也就是其整个电路的正极。在正常使用中,将接口与正极相连,通过这个接口来实现电路的通电。如果电源接口连接不当,会导致开关无法启动,因此连接正确的电源接口是一项非常重要的工作。
2. 引脚2:输入
轻触开关的引脚二为输入接口,也就是将要被监测的电路,通常称为开关的输出。当我们用手轻轻触碰轻触开关时,开关会在进出电流之间切换状态,这个状态通常用于传入一个开关信号,如控制设备的开关状态等。
3. 引脚3:输出
轻触开关的引脚三为输出接口,需要连接至需要被控制或监测的电路。引脚三在设备中起到非常重要的作用, 当开关开启时,该引脚会产生关闭的效果,需要注意的是虽然它叫做输出接口,但实际上输出的是开关状态,而不是电流或电压信号。
4. 引脚4:接地
轻触开关的引脚四为接地接口,这个电路通常是指电源除了正极之外的部分。在将电源引脚连接至正极的同时,我们还需将接地接口连接到负极,以确保整个电路的正常运作。
5. 引脚5:辅助(少部分轻触开关有五个脚,大多数是四脚为主)
轻触开关的引脚五为辅助接口,在一些比较高级的应用场景中起到不同的作用。比如,在需要以更复杂的电路方式连接轻触开关时,就需要将一些重要的信号引出来。通常,这种连接可能会需要连接到另一些元器件上,比如LED、MFRC522以及树莓派等。
轻触开关的引脚功能有待进一步研究,但本篇文章已经将其主要特点和功能讨论了一遍。为了确保正确的使用,我们应该每次检查连接时是否正确连接所有引脚,确保全部的接口都能正常地执行其功能。这样以来,可以保证我们的设备稳定、安全地运行。
上一篇:4×4轻触开关应用和维护
下一篇:轻触开关弹片
相关推荐