手机:13827297626
电话:13827297626
邮箱:435281082@qq.com
地址:广东省东莞市樟木头镇圩镇荔苑路7号星耀国际
发布时间:2023-03-20 点此:1748次
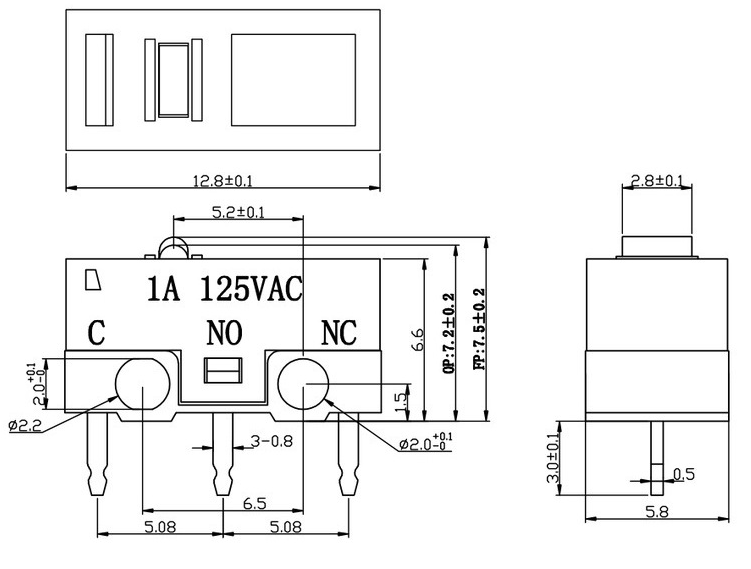
微动开关,又称微动触点开关,是一种广泛应用于电子、电气领域的开关。它主要由活动触头、固定触头、弹簧组成,具有接通或断开电路的功能,可用于控制电路、测量电信号等应用。

微动开关因其微小的体积和高度可靠的开关性能广受欢迎,通常用在自动控制、仪表、通讯等领域。例如,在机械压力开关中,当压力达到一定值,微动开关通过触碰触点,控制设备的开关状态。在智能家居应用中,微动开关可以用于感应门窗是否开启,从而触发智能家居系统对安全预警的相应处理。在工业生产中,微动开关可以监测机器设备的运行状态,从而帮助保障设备安全。

除此之外,我们还可以看到微动开关在汽车工业、电子设备等领域的应用。例如,在汽车方向盘上的方向指示灯便是一种微动开关。当车辆被转向时,开关的触点会发生相应改变,从而使指示灯发光,提醒车辆的方向。在手机、笔记本电脑等器件中,微动开关常常用来检测电池电量、充电状态、开机等状态。

随着科技的不断进步,人们对于互联网、环保、节能的要求日益提高,微动开关的应用广度和深度也在不断地拓展。未来,我们能够看到更多微动开关在智能家居、智能交通、工业控制、医疗器械等领域的应用,为人们创造更加舒适、安全、高效的生活体验。
上一篇:颖鑫轻触开关生产厂家
下一篇:对射光电开关原理
相关推荐