手机:13827297626
电话:13827297626
邮箱:435281082@qq.com
地址:广东省东莞市樟木头镇圩镇荔苑路7号星耀国际
发布时间:2019-11-18 点此:4842次
电位器是可变电阻器的一种调节电子元器件,通常是由六脚电位器电阻体与滑动系统组成,靠一个动触点在电阻体上移动,从而获得部分电压的输出。

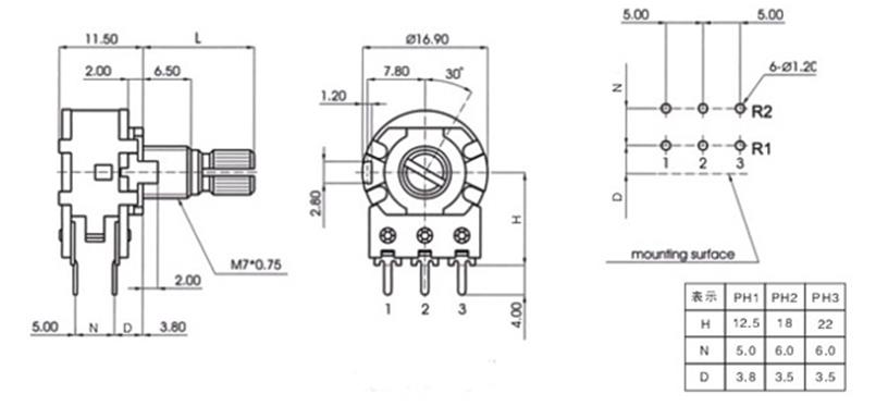
电位器体数:双联6引脚;
柄长:15mm;
阻值偏差:±20%;
阻值变化特性:B;
旋转角度:300°±50°;
使用温度范围:-10℃~+70℃;
终端电阻:≤1%R或2Ω;
接触电阻变化:≤3%R或3Ω;
绝缘电阻:R1≥1GΩ;
耐电压:101.3Pa 600V;8500Pa 360V;
额定功率:+70℃ 0.5W;+125℃ 0w;
工作温度方位:-50℃~+125℃;
电阻温度系数:±100,±50ppm℃;
旋转寿命:10000次;
产品特点:1、可带中心软定位;2、阻值线线多样化;3、手感柔和;4、功率大;5、滑动视觉直观;6、使用寿命长;
产品应用:电位器多用于多媒体音响和变频器、功放、编码器、阅读器和台灯调节光度开关、老式电源变压器的电子设备上。

电路图详细参数:

电位器是可以根据某种变化规则调节的电阻部件,引出端、电阻值有三个。电位器一般由变阻器和可挪动软毛刷构成。当电刷顺着变阻器挪动时,在輸出端可以获得与偏移量具备一定关联的阻值或工作电压。
电位器可以用作三端部件,也可以用作二端部件。后面一种可视作可变电阻器,电源电路具备得到与键入电压(释放电压)有一定关联的輸出电压的功效,因而称之为电阻器。
电位器 (英文:Potentiometer)是可变电阻器的一种。通常是由电阻体与转动或滑动系统组成,即靠一个动触点在电阻体上移动,获得部分电压输出。
电位器的作用——调节电压(含直流电压与信号电压)和电流的大小。
电位器的构造特性是电位器的电阻器体有2个固定不动端。根据手动式调整传动轴或拖动摇杆并改变移动接触点在电阻器体里的部位,移动接触点和一切固定不动端中间的阻值变化很大,进而改变工作电压和电流量的尺寸。
电位器是一种可调的电子元件。它是由一个电阻体和一个转动或滑动系统组成。在电阻体的2个固定不动触点中间释放工作电压时,根据转动或折动系统更改触点在电阻体里的部位,能够获得在移动触点和固定不动触点中间与移动触点的部位处在一定关联的工作电压。它大多是用作分压器,这时电位器是一个四端元件。电位器大部分是滑动变阻器。电位器有几类种类,常见于音响声音电源开关和激光切割头输出功率调整。电位计是可调整的电子元器件。
用于分压的可变电阻器。在裸露的电阻体上,紧压着一至两个可移金属触点。触点位置确定电阻体任一端与触点间的阻值。按材料分线绕、碳膜、实芯式电位器;按输出与输入电压比与旋转角度的关系分直线式电位器(呈线性关系)、函数电位器(呈曲线关系)。主要参数为阻值、容差、额定功率。广泛用于电子设备,在音响和接收机中作音量控制用。
符合度也称为符合性,是指电位器的实际输出功率特性和要求的理论功能特性之间的一致性。实际上特性和基础理论特性中间的较大误差以总释放工作电压的百分数表达,能够表达电阻器的精密度。
分辨力决定于电位器的理论精度。对于线绕电位器和线性电位器来说,分辨力是用动触点在绕组上每个移动灯引起的阻力变化量和总电阻的百分比表示。对于具有函数特性的电位器来说,由于绕组上每一匝的电阻不同,故分辨力是个变量。这时,电阻器的识别力一般就是指涵数特性曲线图的上倾率较大的均值识别力。
滑动噪声是电位器特有的噪声。在变动阻值的状况下,电位计的电阻器分派不适度,转动系统软件的相互配合不适度,电位计存有接触电阻等缘故,在移动接触点在电阻器体的表面挪动的状况下,輸出端除开有效的数据信号之外,还伴随数据信号的波动的噪音。
针对线绕电位器而言,除开所述日常动态触点与绕阻中间的触碰噪声外,也有辨别噪声和短接噪声。分辨力噪声是由电阻变化的阶梯性所引起的,而短接噪声则是当动触点在绕组上移动而短接相邻线匝时产生的,它与流过绕组的电流、线匝的电阻以及动触点与绕组间的接触电阻成正比。
电位器的类别:
1、线绕电位器;
2、合成碳膜电位器;
3、有机实芯电位器;
4、金属玻璃釉电位器;
5、导电塑料电位器;
6、数字电位器;
7、多圈精密可调电位器;
电位器的电阻材料分类:碳膜式、瓷金膜、线绕式。
在广东沿海地区各种生产专业的自动化产品中,应用很广泛,因为不仅为不同的设备仪器提供适合的供电和可变的连接,还提供不同的类型款式选择,深受各大企业的产品设计员的关注。
相关推荐