手机:13827297626
电话:13827297626
邮箱:435281082@qq.com
地址:广东省东莞市樟木头镇圩镇荔苑路7号星耀国际
发布时间:2022-09-07 点此:2495次
颖鑫电子厂家批发6x6x5轻触开关价格:0.03~0.05元/个;高度和按压力度不同,价格可能会轻微浮动。

额定电流:50mA;
额定电压:DC 12V;
接触电阻:50MΩ(max);
绝缘电阻:100MΩ(min);
耐压强度:AC 250V 50Hz/1min;
操作力度:160/250±50gf;
机械寿命:5万次以上;
温度范围:-30°~85°;
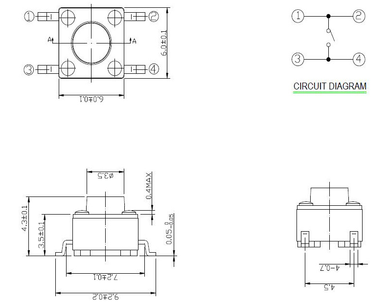
6x6x5轻触开关尺寸图

不同高度的6*6轻触开关款式

上一篇:轻触开关厂商对轻触开关的分类
下一篇:microusb直插母座封装
相关推荐