手机:13827297626
电话:13827297626
邮箱:435281082@qq.com
地址:广东省东莞市樟木头镇圩镇荔苑路7号星耀国际
发布时间:2020-12-21 点此:78535次
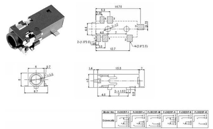
3.5mm的音频耳机插座的结构
根据常规接口规范,电脑机箱的音频插口有两种:1,开关型的;2、无开关型;

如上图,开关型耳机插座的2和3以及4和5分别各有开关控制,当没有耳机插头插入时,他们四个是连通的,当有耳机插头插入时,就断开。而无开关耳机插座,则没有4和5两个开关端。

关于耳机插座的接线上一般都是区分有几种接线法的,首先是三段式耳机插座通常的标准的接线一般分别接左声道、右声道、地线就选行。但是由于一些耳机插座的规格分类比较众多,目前对于五脚耳机插座的规格一般都是应用于功放设备(音响设备)的使用,其接线1引脚仍然对应于地引脚,2、3引脚分别对应接左声道输出以及喇叭线。而最后的4、5引脚分别接右声道输出及喇叭线即可。
3.5mm耳机插头分类

二芯耳机插头一般用于麦克风,三芯耳机插头一般用于立体声音的耳机或者音响,现在大部分都是三芯的耳机插头比较多。
二芯耳机插头接线图

三芯耳机插头接线图

耳机插座使用注意事项
注意事项一
耳机插座的使用上,不能用其它三段式或者是四段式规格的耳机插座替换使用,因为对于功放设备使用的耳机插座接线要求要是满足不了,其它规格的耳机插座是兼容不起使用的。
注意事项二
关于耳机插座接线中2和3脚,以及3和4脚之间的接线不要相互接错了,否者在耳机插座的使用上会造成没声的问题情况。
注意事项三
耳机插座使用过程中其接口要注意防止有水气的侵入,否者会导致发生线路短路等情况,从而造成耳机插座使用上出现杂音或者是无声的问题。
注意事项四
耳机插座区分的国标与美标接线说法,那么对于在耳机插座操作接线前就要先了解相应规格说明书是否是标识的国标还是美标的接法。以免导致耳机插座插座的接线上接错。
注意事项五
耳机插座与插头的接插,也是要注意不能过大的力度拔出,或者是接入。以免过大力度接插的情况会造成耳机插座内部的金属芯片磨损,而且还会容易导致造成耳机插座与插头的接插连接出现松动等状况。
上一篇:边三脚轻触开关
下一篇:tact switch