手机:13827297626
电话:13827297626
邮箱:435281082@qq.com
地址:广东省东莞市樟木头镇圩镇荔苑路7号星耀国际
发布时间:2020-12-04 点此:7611次
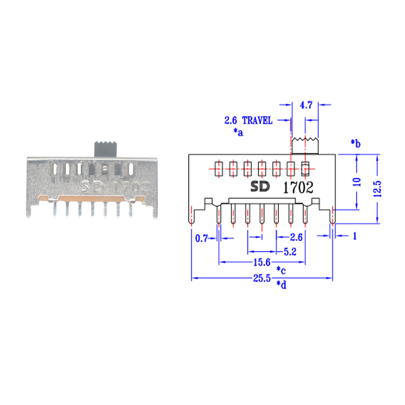
第一,开关带拨头的一侧面向自己,拨动开关的第一、第二、第三针依次从左到右,中间针是必须连接的针。连接方式可以是左边第一针连接中间针,也可以是右边第三针连接中间针。

扩展数据:
拨动开关是通过拨动其致动器(拨动键或开关手柄)来打开或关闭电路。它具有滑块运动灵活、性能稳定可靠的特点,广泛应用于电器、机械、通信、数字音视频、楼宇自动化和电子产品中。
两档三脚拨动开关是常用的一种。在它的三个引脚中,中间是公共端,向左转连接到左边的两个引脚,向右转连接到右边的两个引脚。
拨动开关的引脚与外部线路的连接大多采用焊接技术,往往会导致虚焊等质量事故。大型工厂普遍采用机械化、自动化操作,而不是工人直接操作,虚拟焊接的问题依然存在,因此引入铆接技术来代替原有的焊接连接。

但是,当新引脚结构的波形开关接入电路时,为了实现机械化、自动化操作的精确控制,提高更高标准的连接要求,需要准确识别两档三引脚拨动开关的三个引脚。
三相有一个特点;2.任意两相(双线)换位;3.电机反转;4.拨动开关,通过拨动开关手柄来切换电路。5.常用的拨动开关品种有单极二位、单极三位、双极二位、双极三位等。,只需根据需要连接它们;6.一般用于低压电路,具有滑块运动灵活、性能稳定可靠的特点。希望我的回答对你有帮助。
上一篇:6*6弯脚带灯轻触开关
下一篇:12*12复位六脚五项开关
相关推荐